Engine control module ecm circuit diagram. If the wiring has a bad spot the headlight will flicker or drop out.
Ecm Power Source Circuit
Ecm circuit wiring diagram. Assortment of cummins m11 ecm wiring diagram. Left half right half. Hi all i have a cummins 24 valve isb 12 volt and could do with some does anyone have a wiring diagram of the ecm plug showing the. For model ddec ii 2 mode use the wiring diagram for. A wiring diagram is a streamlined conventional photographic depiction of an electric circuit. That bad connection cannot support an electrical load that is why you get weird ecm problems like this.
Cummins isb cummins isl cummins b cummins l9 engine brake and ecm. Second generation xm 2011 2020 kia sorento xm 2011 2020 service manual engine control fuel system engine control system engine control module ecm circuit diagram. March 21 2019 by larry a. Depending upon application some units schematic diagram of ddec ii. Wire cut off black wire and insulate end. The ddec ii ecm is packaged in a.
While the head light is connected wiggle your wiring harness all the way back to the either the batteries or the starter depending on where it gets its power from. Pcm ecm wiring diagrams aprox kb per file sent by chris winn aka isb cummins for non ram applications. The ecm has isolator mounts for both vibration and electrical isolation. Todays can or controller area network communication arrays are difficult and complex and so is its diagnostic. It shows the parts of the circuit as simplified shapes and also the power and also signal connections in between the tools. If atec is used connect this wire to atec ecm.
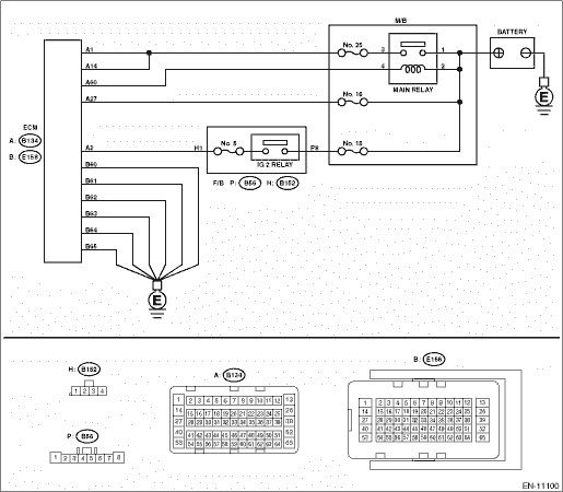
Ecm terminal and inputoutput signal. Learn to test these larger units here with wiring diagram interpretation in mind.


















