Aug 2 exc headlight is all stock and i do have a wiring diagram. Ktm automobile parts user manual.
2018 Ktm 500 Exc F Wiring Harness Ktm World
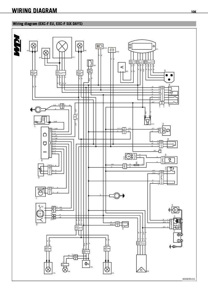
Ktm wiring diagram exc. Gm electric choke wiring. Page 3 ktm accepts no liability for delivery options deviations from illustrations and descriptions misprints and other errors. I am trying to go from the stock switch to an aftermarket ds master switch. Ktm owners manual motorcycle sx exc exc xc xc w sx exc xc xc w exc xc xc w 70 pages. Exc headlight is all stock and i do have a wiring diagram. This installation is applicable to trail tech hid headlight installation as well as general dc the included wiring harness is a modified oem ktm partwiring.
Step by step ktm taillight bracket installation ktm 250 350 450 500 exc bikes duration. Related file of ktm 2013 wiring diagram. Ktm250 sx mxc 250 sx 1994 250 exc 250 sx 250 mxc 300 sx 300 mxc 300 exc 380 sx 380 mxc 380 exc. View and download ktm exc repair manual online. Page 1 owners manual 2008 125 exc exc six days 200 xc xc w exc 250 xc xc w exc exc six days 300 xc xc w exc e exc e six days 3211226en. Ktm shall not be held liable for any deviations of availabil ity andor ability to deliver illustrations descriptions printing andor other errors.
Garage wiring for dummy. I am trying to go from the stock switch to an aftermarket ds master switch. Abb acs550 wiring diagram. Interconnecting wire routes may be shown approximately where particular receptacles or fixtures must be on a common circuit. Wiring diagram ktm 125 exc six days 200 wiring diagram pdf. Ktm wiring diagram refitting lights add ergo gear to a 350 exc f cobbled together what gear i could find as oem pricing this gear as spare parts requires a down payment of one arm a leg and a testie.
Ktm 525 exc wiring diagram wiring diagram meta architectural wiring diagrams produce an effect the approximate locations and interconnections of receptacles lighting and remaining electrical facilities in a building. 2000 chrysler concorde wiring diagram. Motorcycle ktm exc racing owners. Chaparral motorsports 29082 views. Navigate your 2018 ktm 500 exc f schematics below to shop oem parts by detailed schematic diagrams offered for every assembly on your machine. Exc engine pdf manual download.
Page 1 repair manual 2015 350 excf eu 350 excf six days eu 350 excf au 350 excf br 350 excf us 350 xcfw us 350 xcfw six days us art. 2003 honda pilot wiring diagram. Page 2 ktm may stop manufactur ing certain models without previous notice.

















