Failure to do so may result in electric shock or injury due to. Alpine ilx 207 68 34732z15 a en designed by alpine japan printed in japan.
Alpine 8 4 Wiring Diagram Dodge Ram Forum Dodge Truck Forums
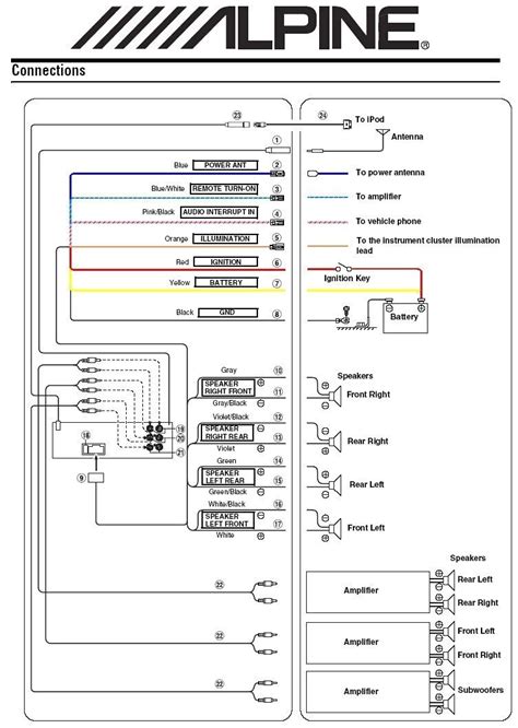
Alpine wiring diagram. In this video we go over what the wire colors are on an alpine video head unit plug. Download alpines equipment manuals. Before wiring disconnect the cable from the negative battery terminal. Alpine offers a wide variety of manuals and parts to help keep your production equipment operating smoothly and efficiently. Alpine car radio stereo audio wiring diagram autoradio connector wire installation schematic schema esquema de conexiones stecker konektor connecteur cable shema car stereo harness wire speaker pinout connectors power how to install. Alpine car radio stereo audio wiring diagram autoradio connector wire installation schematic schema esquema de conexiones stecker konektor connecteur cable shema car stereo harness wire speaker pinout connectors power how to install.
Incorrect connections may cause the unit to. Notesome ac systems will have a blue wire with a pink stripe in place of the yellow or y wire. Alpine car radio wiring diagrams. Car radio wire diagram stereo wiring diagram gm radio wiring diagram. This diagram is to be used as reference for the low voltage control wiring of your heating and ac system. Always refer to your thermostat or equipment installation guides to verify proper wiring.

















