To avoid possible injury that might be caused by such sudden start ups the systems automatic start circuit must be disabled before working on or around the generator or transfer switch. An automatic transfer switch automatically swaps to a back up power supply when the electricity to the home is not functioning correctly.
Automatic Transfer Switch Ats Between Two Low Voltage
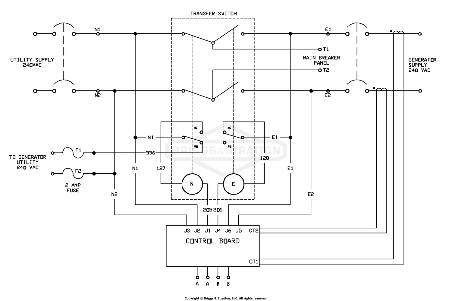
Ats wiring diagram for standby generator. Interdcnl legal requirements as required by the nec nfpa 101 nfpa 99 and other local state and federal codes and requirements. The transfer switch is the device that transfers the power from the utilities power to the standby generators power as shown in figure 1. View and download champion 100199 operators manual online. If you are installing a standby generator in order to have some electrical power to your home in the event of a utility power outage it is important that you understand how to properly install a transfer switch. Generac 200 amp automatic transfer switch wiring diagram sample generac 100 amp automatic transfer switch wiring diagram elegant 16. Ats selects between the normal power grid and emergency generator.
Whole house transfer switch wiring diagram awesome 11 plus generator. Ats wiring diagram for standby generator. A wiring diagram is a simplified conventional photographic depiction of an electric circuit. Generac 100 amp automatic transfer switch wiring diagram. Figure 1 generator transfer switch. Wiring diagramschematic a v drawing no.
Refer to the smm ownersinstallation manual forvariety of generac amp automatic transfer switch wiring diagram. Wellborn variety of ats wiring diagram for standby generator. It reveals the components of the circuit as simplified shapes as well as the power and signal connections between the tools. Amp service entrancenon service entrance automatic transfer switch owners manual. Generac 22kw guardian automatic standby generator duration. Generator automatic transfer switch wiring diagram generac with.
Vernonia living 16885 views. A wiring diagram is a simplified standard photographic representation of an electrical circuit. Most generac automatic standby generators come with a pre wired automatic transfer switch. When an automatic transfer switch is installed for a standby generator set the generator engine may crank and start at any time without warning. Automatic transfer switch setup and quick look at 3 types duration. It shows the elements of the circuit as streamlined shapes as well as the power and also signal links between the gadgets.
The main and standbyemergency power supplies the neutrals of the two systems must be separated to assure proper ground fault current sensing. Section 1 installation 1 1 series 300 automatic transfer switches are factory wired and tested. Assortment of standby generator transfer switch wiring diagram. Single line diagrams of emergency and standby power systems with automatic transfer switch ats on photo. This means the only wiring necessary will be to connect the transfer switch to your home. September 11 2018 by larry a.
A wiring diagram is a simplified conventional photographic representation of an electric circuit.
















