Ats panel wiring diagram pdf. The automatic transfer switch ats figure 21 and the generator transfer switch gts.
Pdf Design And Construction Of An Automatic Transfer Switch
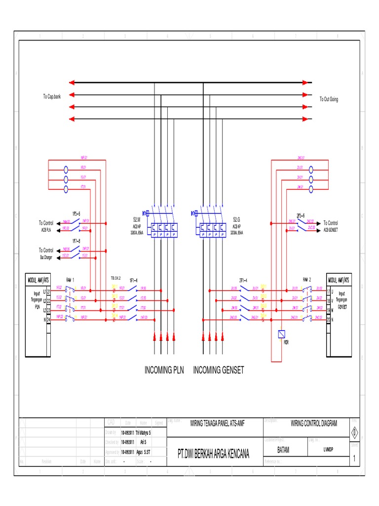
Ats wiring diagram pdf. What others are saying ats panel control is the best option in situation wherever you have to control a power generator that is connected to the mains in a standby configuration. Superior design and robust construction make jundi electrical industry teco automatic transfer switch the industry. Gts fxm family fxm family fig 3. Ats ups fig 2. Wiring diagram fig 1. Ats022 selects the power supply line by acting directly on the cbs provided on the lines.
01 07. 6 ats with sw1 cb1 on unit is in ups mode. The automatic transfer switch ats022 is used in all installations where switching is required between two lines to ensure the supply of loads in case of a fault on one line. Cutler hammer automatic transfer switch wiring diagrams directions for use the drawing package can be used a s a point to point wiring diagram for maintenance and diagnostic purposes for solid state logic spb transfer switches all voltages. Ats022 can be used with automatic cbs and abb sace switch disconnectors. 12 selection the size of automatic transfer switch 13 automatic transfer switch components 14 modes of operation 15 schematic circuit diagram for automatic transfer switch 16 recommended cable size 17 specifications 171 general specification 172 controller specification 18 ordering information 19 detailed drawings.
Ats gts line out doc 020 161 b0 rev. This document contains the following wiring infonnation. Standard diagrams transfer between 2 sources 3 bus bars comut 050 a t1 t2 q2 q4 ats q1 q3 ats cl cl ncl q5 comut 049 a t1 cl cl p1 p3 ncl p2 t2 p4 standard solution socomec solution 1 sources are 2 transformers 2 sources are 1 transformer and 1 genset comut 052 a t1 q3 q1 q2 ats ncl clcl g comut 051 a t1 p1 p3 p4 ncl p2 standard socomec.

















