2005 chevrolet aveo stereo wiring information. However according to its technical characteristics and safety requirements the aveo boldly stepped into class c which bribes its future owners.
2006 Aveo Wiring Diagram Tube Scape11 Stylingstudiomarleen Nl
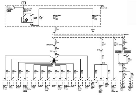
Aveo wiring diagram. You may be a specialist that wishes to search for references or solve existing troubles. Stereo wiring diagrams subcribe via rss. Searching for details concerning 2007 chevy aveo wiring diagram. Radio battery constant 12v wire. Automotive wiring in a 2005 chevrolet aveo vehicles are becoming increasing more difficult to identify due to the installation of. Iam looking for wire diagram for chevy.
We have actually gathered several photos with any luck this photo is useful for you as well as assist you in finding the answer you are looking for. March 31st 2012 posted in chevrolet aveo. Black radio illumination wire. Chevrolet aveo is a popular car that officially belongs to class b. 16 v 115 hp. Listed below is the vehicle specific wiring diagram for your car alarm remote starter or keyless entry installation into your 2005 2006 chevrolet aveothis information outlines the wires location color and polarity to help you identify the proper connection spots in the vehicle.
Chevrolet car radio stereo audio wiring diagram auto radio with 2009 chevy aveo wiring diagramgif. You are right below. Chevrolet aveo about manuals. Read more 2005 chevrolet aveo stereo wiring. Whether your an expert chevrolet aveo mobile electronics installer chevrolet aveo fanatic or a novice chevrolet aveo enthusiast with a 2005 chevrolet aveo a car stereo wiring diagram can save yourself a lot of time. Chevrolet aveo is based on daewoo kalosfrom the european daewoo kalos the aveo cars are distinguished by a more dynamic.
Yellow radio ground wire. Or you are a student or perhaps even you that just need to know regarding 2007 chevy aveo wiring diagram. Some chevrolet aveo wiring diagrams are above the page. Orange radio accessory switched 12v wire. The petrol engine of 16 l. Color manuals on repair and operation of the car chevrolet aveo 2002 2012 body sedan and hatchback.
2009 chevy aveo wiring diagram thanks for visiting my web site this blog post will certainly go over regarding 2009 chevy aveo wiring diagram.
















