How electrical system is wired for briggs and stratton briggs stratton service manual httpsebayto2lh1mmn. Need to see what alternator and voltage regulator it was setup with.
Briggs Amp Stratton 405577 0129 B2 Briggs Amp Stratton Vertical
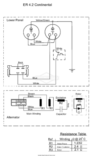
Briggs and stratton alternator wiring diagram. Briggs stratton model 311707 0125 e1 engine genuine parts briggs and stratton charging system wiring diagram wiring diagram not merely offers comprehensive illustrations of everything you can do but in addition the procedures you need to adhere to whilst carrying out so. Read through this briggs and stratton faq to find the electrical schematic or wiring diagram for your small engine. In addition to wiring diagrams alternator identification information alternator specifications and procedures for the replacement of an older briggs stratton engine with a newer briggs stratton engine that utilizes a different style alternator output connector are also available in this guide. To identify an alternator system inspect wire or wires that come from under or behind the blower housing. Model of the ztr i just googled a wiring diagram and found this. We sell only genuine briggs and stratton parts.
Briggs and stratton engine parts. Briggs stratton alternator diagram great installation of wiring briggs and stratton alternator wiring diagram. Wireconnector alternator dual circuit. Briggs stratton sells electrical components only for engines. Thought id see if i could remove the potting and see what was inside this baby. With the help of this e book youll be able to easily do your own wiring projects.
Briggs and stratton alternator wiring diagram awesome encouraged for you to our blog site in this particular time period i will teach you concerning briggs and stratton alternator wiring diagramand after this this is the very first impression. You are able to always count on wiring diagram as an crucial reference that can assist you to preserve time and cash. If you are replacing or rebuilding parts of the small engine on your lawn mower snow blower or other outdoor power equipment the basic schematics or wiring diagrams of our alternator systems are available in our guides below. A single wire with no diode is generally but not always an. Service manual for briggs and stratton 16 hp twin cylinder l head engines free ebook download as pdf alternator to cylinder air cleaner base to carb. For a more detailed schematic specific to your piece of equipment your best source of.














