It reveals the components of the circuit as streamlined shapes and the power and signal links between the gadgets. 800 x 600 px source.
1967 Chevy Pickup Steering Column Diagram Wiring Schematic
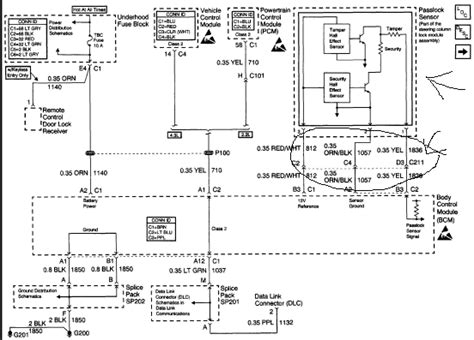
Chevy steering column wiring diagram. It shows the parts of the circuit as simplified shapes and the power and also signal links between the devices. Ford truck technical drawings and schematics section h wiring size. Variety of gm steering column wiring schematic. A wiring diagram is a simplified standard pictorial depiction of an electric circuit. Wiring diagram for gm steering column the chart above posted by ogre shows how the wires are oriented in the connector from the truck harness. Collection of chevy steering column wiring diagram.
With this sort of an illustrative guidebook you are going to be capable of troubleshoot stop and full your tasks with ease. Otherwise the arrangement wont function as it ought to be. Chevy steering column wiring diagram you will want an extensive expert and easy to know wiring diagram. Chevy steering column wiring diagram 1955 chevy steering column wiring diagram 1956 chevy steering column wiring diagram 1980 chevy steering column wiring diagram every electric structure is made up of various diverse pieces. Here are a few of the leading drawings we receive from different sources we hope these images will certainly be useful to you and also ideally extremely appropriate to just what you want concerning the free 1967 chevy truck steering column diagram is. A wiring diagram is a streamlined conventional photographic depiction of an electric circuit.
Each part ought to be set and linked to different parts in particular way. It starts with the horn on one end and the brake wire on the other. July 9 2018 by larry a.












