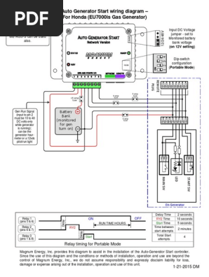
Denyos power sources are currently used and highly regarded in more than 100 countries around the world. The above illustrated diesel generator control panel wiring diagram is the typical connection wiring diagram of the bek3 automatic mains failure controller.
Avr Nta 5a 2t For Denyo Generator Youtube
Denyo generator wiring diagram. Wiring diagram wiringagram circuit software generator denyo best. Voltage selector switch sw is not used on generators above dca 150. Connecting the current transformers after the mains and generator changeover will allow you to read and monitor the current when the load is connected to the power utility. Wiring diagram of ceiling fan with regulator. Denyo generator wiring diagram welcome to our site this is images about denyo generator wiring diagram posted by benson fannie in denyo category on oct 24 2019you can also find other images like images wiring diagram images parts diagram images replacement parts images electrical diagram images repair manuals images engine diagram images engine scheme images wiring harness images. Da7000ssa1 w gfci generator and engine wiring diagram.
Denyo generator internal wiring diagrams disclaimer. Denyo generator dlw 400 wiring diagram. If you want the image to be deleted please contact us we will delete it from our website. Da7000 generator and engine wiring diagram. G find your distributor for purchase of new products or maintenance after purchase. Denyo dca series generator instruction manual.
Head office 2 8 5 nihonbashi horidomecho chuo ku tokyo 103 8566 japan 81 3 6861 1111 81 3 6861. And o the r i tems requ i red lor proper ope rat ion. We ask for your further support and invite you to look forward to the. Do not operate this machine before you thoroughly read and understand this manual. We never admit that the image is our image the copyright is in the image owner we only help our users to find the information they are looking for quickly. Denyo is a leading company in outdoor power sources such as generators welding machines and air compressors.
Frequency volt meters manual voltage adjuster and a applicafions. Denyo generator operating manual. Hydro air wiring diagram wiring library. Wire diagrams it is identified as the voltage regulator vr. You may like these posts. D48443 02204a caution.
Popular posts exhaust fan wiring diagram with capacitor. Industry renowned denyo generators are known 11 26 hours of continuous operation. Product catalogues download denyo product catalogues. Always keep this manual near the machine. Da7000ssa2 da7000ssa2gh generator and engine wiring diagram. Rheostat voltage regulator is used to configure the generator coils for selected voltage output by re configuring the internal contacts each time a voltage selection is made.
As a leading company in outdoor power sources we will continue to take on challenges aimed at innovation. We there operate the machine properly according to the instruction manual to ensure.













