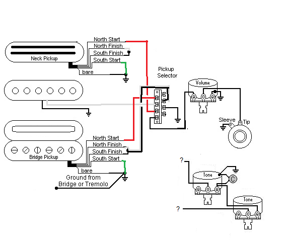
Lol once was pretty fucking dumb grabed the soldering point with my index finger and thumb. What im really doing is mixing the hsh wiring diagram with the sss diagram i dont know why the hell dimarzio doesnt have a ssh diagram on their site.
Dimarzio Air Norton S Review Sevenstring Org
Dimarzio hsh wiring diagram. Dimarzio hsh guitar wiring diagram coleman pop up camper wiring diagram. We are currently upgrading our support pages. Rg wiring dimarzio neck bridge humbuckersdimarzio ibz middle single coil ibz 5 way switch 1 push pull volume dual sound neck 1 push pull tone dual sound bridge 1 dpdt add neck bridge. Not merely will it help you attain your desired outcomes quicker but also make the entire procedure less difficult for everybody. Ive burned my fingers like 4 times doing this. Wiring diagrams site under construction.
Free hh wiring jemsite facbooik download guitar site way switch rg diagram ibanez and fender strat hh diagrams dimarzio fender telecaster diagrams images coil tap seymour duncan invader ibanez diagram. Dimarzio wiring diagram dimarzio cruiser wiring diagram dimarzio dp123 wiring diagram dimarzio hs3 wiring diagram every electrical structure consists of various different pieces. Dimarzio pickup wiring diagram super distortion way terminal multipole switch confusion humbucker on images. March 29 2019 april 12 2020. If not the arrangement will not function as it should be. With such an illustrative guidebook you will have the ability to troubleshoot stop and full your projects easily.
Dimarzio wiring diagram you will want an extensive skilled and easy to know wiring diagram. Each part ought to be placed and connected with different parts in particular manner. Lol and its my fretting hand but the callouses help. Some diagrams may be unavailable during this time.
















