How to test a 3 4 or 5 pin relay with or without a diagram. Wiring diagram for 5 pin relay for drl with turn signal wire okay so i have some drl leds similar to at lrobbi.
First Project Configuring Drls For Canada Mx 5 Miata Forum
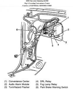
Drl relay wiring diagram. If it sees daylight and the parking brake isnt set the bcm provides ground to the control coil in the drl relay. Once the control coil has ground the contacts close and the relay provides power to the drl lights. We also tap a wire from the red wire to the pin 87a of the relay. The drl system is different. Well i tested them out directly to the blinker wiring three wires as look at the back side of the relay where the prongs are and you will see numbers by each prong. 4 relay from the engine room no.
A number of our products include daytime running lights and below is a diagram for customers interested in wiring them up via a relay to allow them to turn off when the low beam headlights are turned on. One of the key features of our headlights is to have the ability to run the drl strips in the day without having to activate any of your lighting controls manually. How to wire a relay for. The way to do this is by wiring the harness that is included with your headlightsdepending on the headlights feature you get there will be two types of drl harness. In addition any local auto electrician should be able to set this up for you if needed. The bcm looks at the input from the ambient light sensor.
4 remove the no. A drl is a safety car lighting device specifically assigned to moving vehicles for increasing the conspicuity of the vehicle during day time especially when the daylight is accompanied with fog or during dull overcast daysit is normally fixed just beside the headlamps on either sides. The red wire from the drl harness supply power to the white led. Here you will find fuse box diagrams of ford e series 1998 1999 2000 and 2001 e 150 e 250 e 350 e 450 get information about the location of the fuse panels inside the car and learn about the assignment of each fuse fuse layout and relay. Headlight on drl led light off drl led automatic on off relay. We need to connect the red wire from the drl harness to the white wire coming out from the headlights.
Inspect daytime running light relay marking. Normally a drl system is in the form of. On american trucks without drl the wiring harness is the same but they simply replace the drl relay block with a loop back plug and put a cap on the wiring harness where the drl resistor plugs in. For headlights with activation light and sequential signal. The loop back plug provides ground to the multifunction switch steering column highlowflash to pass switch so the lights still work when the drl. Whats a drl or day time running light device.
This purpose is to maintain the white led function on the activation light but disable white led as drl. In this article we consider the fourth generation ford e series econoline first refresh produced from 1998 to 2001. The main body ecu controls the daytime running light no. Measure the resistance of the relays. 3 relay and no.











