Exmark lazer z mower wiring diagrams. Details about exmark lazer z hp wiring diagram has been uploaded by ella brouillard and tagged in this category.
Exmark Electrical Diagram Exmark Lazer Z Ignition Switch
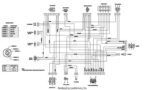
Exmark lazer z wiring diagram. 315000000 higher lazer z lze units partno. Diagrams and order genuine details about exmark lazer z hp wiring diagram has been uploaded by ella brouillard and tagged in. View and download exmark lazer z operators manual online. You a maximum amount of dependability and years of trouble free operation. This model has more than one variation. In some cases we may have to slightly change the style color or even equipment.
Exmark lazer z hp user manual schematics electrical diagram kohler ignition switch exmark gardening equipment. Las28ka724 exmark 72 lazer z as zero turn mower 28hp kawasaki sn. Call center open. Exmark las25kc604 sn 670000 719999 2007 exploded view parts lookup by model. Exmark zero turn mowers lazer z parts with oem exmark parts diagrams to find exmark zero turn mowers lazer z repair parts quickly and easily. Zero turn riding mower operators manual.
We require a new thought for it then one of them is this exmark lazer z hp wiring diagram. Lawn mower exmark lazer hp operators manual. 670000 719999 2007 next 10. Assortment of exmark lazer z wiring schematic. Exmarks top of the line zero turn riding mower is now available with the ultracut rear discharge cutting system for the ultimate combination of productivity durability and quality of cut. Several of wiring diagram for exmark zero turn mower are available for free while some are payable.
Exmark lazer z wiring diagram wiring diagram is a simplified tolerable pictorial representation of an electrical circuit. Complete exploded views of all the major manufacturers. It is easy and free. Deck width starting at 96 as low as 32999 607 mo usd. Summary of contents for exmark lazer z page 1 congratulations congratulations model no. It shows the elements of the circuit as simplified shapes as well as the power and signal links between the devices.
It shows the components of the circuit as simplified shapes and the capability and signal links between the devices. Lazer z e series for serial nos. Lazer z x series rear discharge. A wiring diagram is a streamlined conventional photographic representation of an electric circuit. Exmark lazer z belt diagram. This product has been carefully designed and manufactured to give serial no.
On the purchase of your new exmark mower.














