Duox is now in 1 12 way kits. Autelco bell system telephone bogen bpt centramatic cite sa citovox come lit elbe x elvox elvox farfisa fermax gondola.
Opener Fermax Vds Bus Nuki Opener Beta Nuki Developers
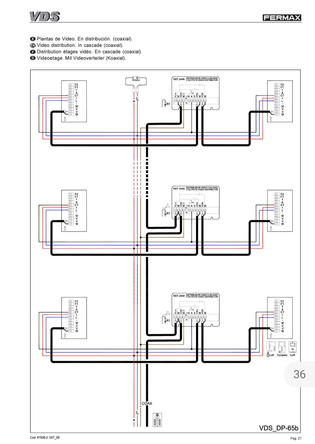
Fermax wiring diagram. Fermax wiring diagram as the worlds first fully digital system based on 2 wires duox represents a step into the future and harness the power of fermaxs new two wire diagram. Wiring diagram 5 wire audio with 2 entrances. Schematic diagram cod94710b v0906 placa kit de portero 1 línea ref. Fermax instructions for 8w mds audio decoder art. 8306 cableado interno internal wiring caracteristicas placa kit kit outdoor panel technical features ext. Here is a picture gallery about fermax intercom wiring diagram complete with the description of the image please find the image you need.
Download the meet catalogue here. Fermax intercom system wiring diagram fermax handset wiring in fermax intercom wiring diagram image size 894 x 738 px and to view image details please click the image. Whether you are working on new developments or upgrading existing systems make it easy with fermax. Each kit includes all the material needed for the installation. Entrance panel back box riser elements monitors and connectors. Because fermax is presenting its new digital video door entry smile kits for single family homes.
Wiring diagram 5 wire audio system. 2425 support categories all brochures instructions and wiring diagrams pdf. Audio entry system. Fermax is a manufacturer of audio video door entry systems home automation and access control systems solutions for residential and commercial use. 8300 1 line kit outdoor panel ref. The main trunk wiring needed in the building is.
Download 135 mb 97508i 1 technical manual vds system v07 09. 8306 1 line kit outdoor panel with cardholder ref. 97508i 2 technical manual installation diagrams v07 09. 8300 placa kit de portero 1 línea con tarjetero panorámico ref. Fermax is a manufacturer of door control video door control digital audio and video communications systems and access control equipment for houses and residential. Compa table low 345 25 13 11 spec 10 10 15 11 12 12 type fermax citymax universal acet amper ate a auta tf92 electronic.
Fermax citymax universal 1 before replacing the handset make note of the wires to each terminal on the existing unit an easy way is to cut wiring diagram.















