Power windows page a 2 3. Turnsignals hazard page l 2 3.
E6a24 Toyota Tundra Fog Light Wiring Wiring Library
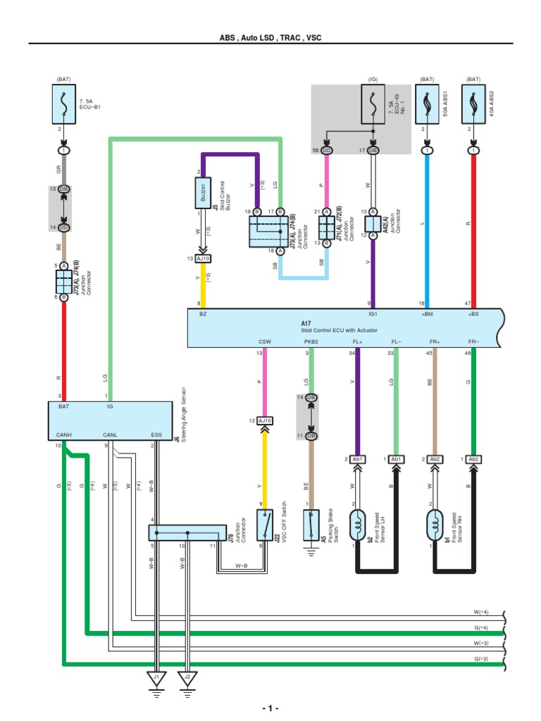
Fog light wiring diagram toyota. Fr fog when a signal is received from the headlight dimmer switch. Toyota rav4 service manual lighting lighting system data list active test front fog light circuit description the main body ecu controls the front fog light relay marking. Bought after market kit and tried to follow forum suggestions. Toyota corona rear fog lights wiring diagram toyota corona rear window defogger electric circuit diagram toyota corona taillight illumination schematics toyota corona turn light hazard warning lights wiring diagram open. Understanding diagrams page u 1 lighting systems 1. Toyota table of contents wiring diagrams 1.
Through the rear lights warning light to terminal 4 of the light failure sensor. 1970 1980 toyota fj40 wiring diagrams. 1dashboard height adjustment dial 2headlamp indicator switch fog lights and rear fog lights 3audio remote control 4telephone switch and voice switch 5windshield wipers and windshield washers 6power button all wheel drive 7audio navigation system including audio display and rear view camera monitor 8alarm switch 9airbag on off warning light front passenger 10. The written permission of toyota motor corporation. Tapped red wire to green parking lights and black white wire from switch into light blue wire. Daytime running lights page l 5 accessories systems 1.
My switch did not have a darker blue wire. Rear window defogger page a 1 2. Stop lights page l 3 4. Power mirrors page. Have a 2007 tundra with pre wired fog lights to front of truck. Hoping someone can help.
Headlights page l 1 2. 13 2006 0106011300 foreword this wiring diagram manual has been prepared to provide information on the electrical system of the 2007 camry. Automatic light turn off page l 4 5.














