Obey all safety messages that follow this symbol to avoid possible injury or death. Since 1959 generac power systems has been committed to building the most reliable durable efficient and environmentally friendly generators and power equipment.
                        Generac 93571 Manual Ouijmdy
Generac 10000 exl wiring diagram. 98016 10000 watt ac generator manual no. Generac ats wiring diagram download. Support for trimmer mowers support for wood splitters. It is easy and free. Advertisement autoplay when autoplay is enabled a. Find owners manuals including parts lists schematics and troubleshooting tips for generac power equipment at one of the links below.
Generac generator transfer switch wiring diagram image. 189484gs revision 2 09242002 10000exl extended life generator equipment description read this manual carefully and become familiar with your generator. Support for generac power equipment. It is used to alert you to potential personal injury hazards. Call center open from home and warehouse shipping to all 50 states with some uspsupsfedex delays learn more. 186686 revision 1 462001 visit our generac website.
Complete exploded views of all the major manufacturers. Following wiring diagrams duration. View and download generac power systems 10000exl owners manual online. Generac generator helpline 1 800 270 1408 m f 8 5 ct web. Page 1 1 0000exl portable generator owners manual model no. 10000exl portable generator pdf manual download.
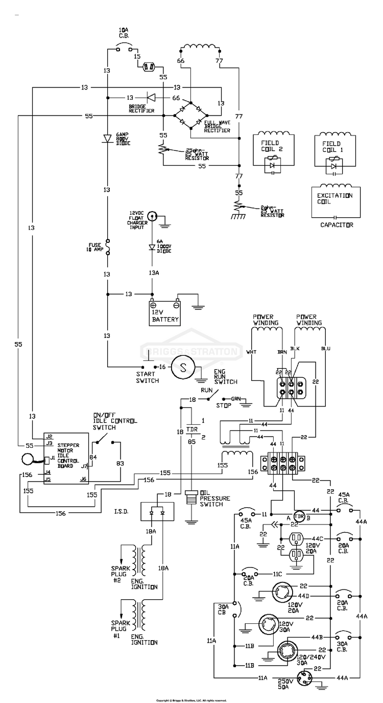
Looking for a manual or products support for generac trimmer mowers wood splitters or chipper shredders. Briggs and stratton power products 9801 4 10000 exl wiring diagram exploded view parts lookup by model. Generac generator wiring diagram collections of briggs and stratton power products 1006 1 megaforce 6500 parts. This is a generac 7000exl. 9801 7 10000 watt ac generator manual no. Generac 10000exl portable generator owners manual.
4390 generac generator wiring schematic simple electronic. Generac repair parts and parts diagrams for generac 9801 8 generac exl 10000 watt portable generator covid 19 update.












