All 3 pickups in the set seem to have active preamps. Also the hsh diagram from fishman doesnt seem to refer to any output through the center pickups preamp.
Pickups Wiring Hsh Autosplit With A Standard 5 Way Switch
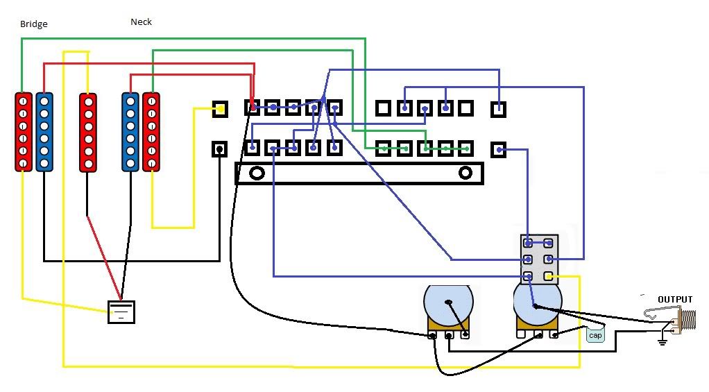
Hsh super switch wiring diagram. The output is on the bottom of pole a of the super switch. Hsh wiring diagram emg hsh wiring diagram hsh wiring diagram hsh wiring diagram 3 way switch every electric arrangement is composed of various different parts. I actually managed to wire this up though the behavior ended up being a little different than anticipated originally. If not the structure will not work as it ought to be. In particular anyone have an hss guitar setup to automatically split the bucker in position 2. I am prepared to furnish you with the diagram that i designed but any wiring you undertake is at your own risk i will say this.
Hsh autosplit with a standard 5 way switch with optional coil split pushpull with a standard 5 way switch and a hsh humbucker single humbucker pickup configuration you can wire your 4 conductors humbucker pickups to get auto coil splitting in position 2 and 4. Youll find a list of commonly used circuit diagrams on this page inc jimmy page wiring. Wire it like the diagram but leave the 2 jumper wires off the 5 way the ones that go to the tone pot. The freeway switch is a great way to configure any guitar but takes some getting used to in comparison to say a super switch of the multi wafer design. So as to make sure that the electric circuit is built properly hsh wiring diagram is demanded. Another breja toneworks diy video this time well go over wiring up a hsh guitar with the ability to add 2 more pickup combinations dual capacitors and independent coil splitting.
1 5 way 4 pole super switch. D custom shop 5 way hsh wiring harness w super switch for modern pro product. And are you using rwrp in the middle. Each part should be set and linked to other parts in specific way. Hsh 1 volume 1 tone 5 way h ss s ss h single coil switch. It is a hsh with a 5 way import switch.

















