There are two things you need to know. The manufacturer also recommends that service and maintenance on your vehicle be performed by an authorized hyundai dealer.
49a9 Daewoo Lanos Abs Wiring Diagram Wiring Library
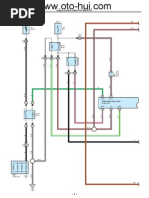
Hyundai i10 wiring diagram pdf. Looking for a free hyundai i10 haynes hyundai i10 chilton manuals. Hyundai i10 wiring diagrams. Hyundai i10 pdf workshop service and repair manuals wiring diagrams parts catalogue fault codes free download. This manual applies to all hyundai models and includes descriptions and explanations of optional as well as standard equipment. Hyundai motor company note. Hyundai car manuals pdf wiring diagrams above the page galloper i20 i30 sonata elentra azera accent entourage eon grandeur h100 ioniq tiburon santa fe santro tucson getz.
Hyundai i10 brakes and suspension pdf. Page 1 specifications all information in this owners manual is current at the time of publication. However hyundai reserves the right to make changes at any time so that our policy of continual product improvement may be carried out. Hyundai i10 manual service manual maintenance car repair manual workshop manual diagram owners manual user manuals pdf download free source of service information technical specifications and wiring schematics for the hyundai i10. We get a lot of people coming to the site looking to get themselves a free hyundai i10 haynes manual. Firstly its illegal and secondly.
In 1967 the south korean automobile company hyundai was founded which in the first years of its existence was engaged in the production of three passenger cars and one freight model. Because future owners will also need the information included in this manual if you sell this hyundai please leave the manual in the vehicle for their usethank you.















