This makes the process of assembling circuit easier. Ibanez ar300cs wiring 2 hum 2v 2t dual switches ibanez artcore guitar 1v1t wiring 2 hum 1v 1t ibanez artcore guitar 2v2t wiring 2 hum 2v 2t ibanez artcore bass wiring 1 hum 1v 1t ibanez atk100 bass wiring triple coil pickup passive ibanez atk300 bass wiring triple coil pickup active ibanez btb400 bass wiring dual pickups active.
Ibanez Collectors World Ibanez Blazer Wiring Diagram
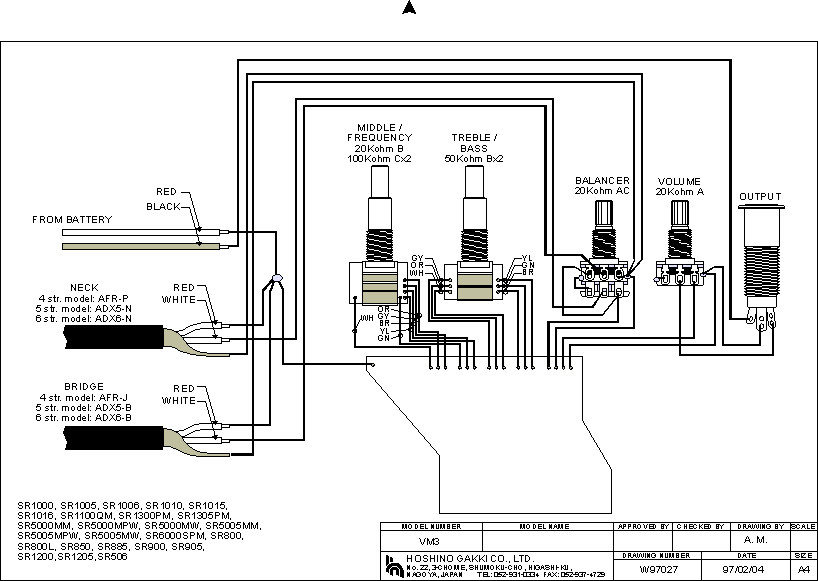
Ibanez bass wiring diagram. 1982 ibanez guitar accessories. Ibanez wiring diagrams also fender pickup wire diagrams and color codes furthermore color code translation chart for pickup wiring along with onan generator parts diagram along with ibanez rg wiring diagram further dimarzio wiring diagrams humbuckers further fender strat wiring diagram together with ibanez bass guitar wiring diagram. On the other hand the diagram is a simplified version of the arrangement. 1982 ibanez ar mc. Ibanez offers electric guitars bass guitars acoustic guitars effect and pedals amps plus guitar accessories like tuners straps and picks. 1982 ibanez iceman destroyer.
John petrucci ibanez wiring ibanez 3 way 1 volume 1 push pull tone split to inner coils. Ibanez offers electric guitars bass guitars acoustic guitars effect and pedals amps plus guitar accessories like tuners straps and picks. Ibanez diagrams schematics and service manuals download for free. 1982 ibanez blazer series. 1983 guitar bass amplifires. 1982 natural wood series.
Find a great collection of electric bass at ibanez. Neck neck bridge bridge jpm100 wiring ibanez 4pdt switch 2 humbucker 1 volume 1 tone. 1982 ibanez classic guitars. Ibanez bass guitar wiring diagram discrd ltd diagrams amusing about ibanez wiring diagram the diagram offers visual representation of an electrical structure. Neck inside coils bridge. Ibanez ad 80 analog delay schematic ibanez ad100 analogdelay ibanez afl auto filter schematic ibanez aw7 autowah schematic ibanez be10 graphic bass eq schematic ibanez cd10 delay champ schematic ibanez cf7 stereo chorusflanger schematic ibanez cp10 compressor schematic ibanez cr5 crunchy rhythm schematic.















