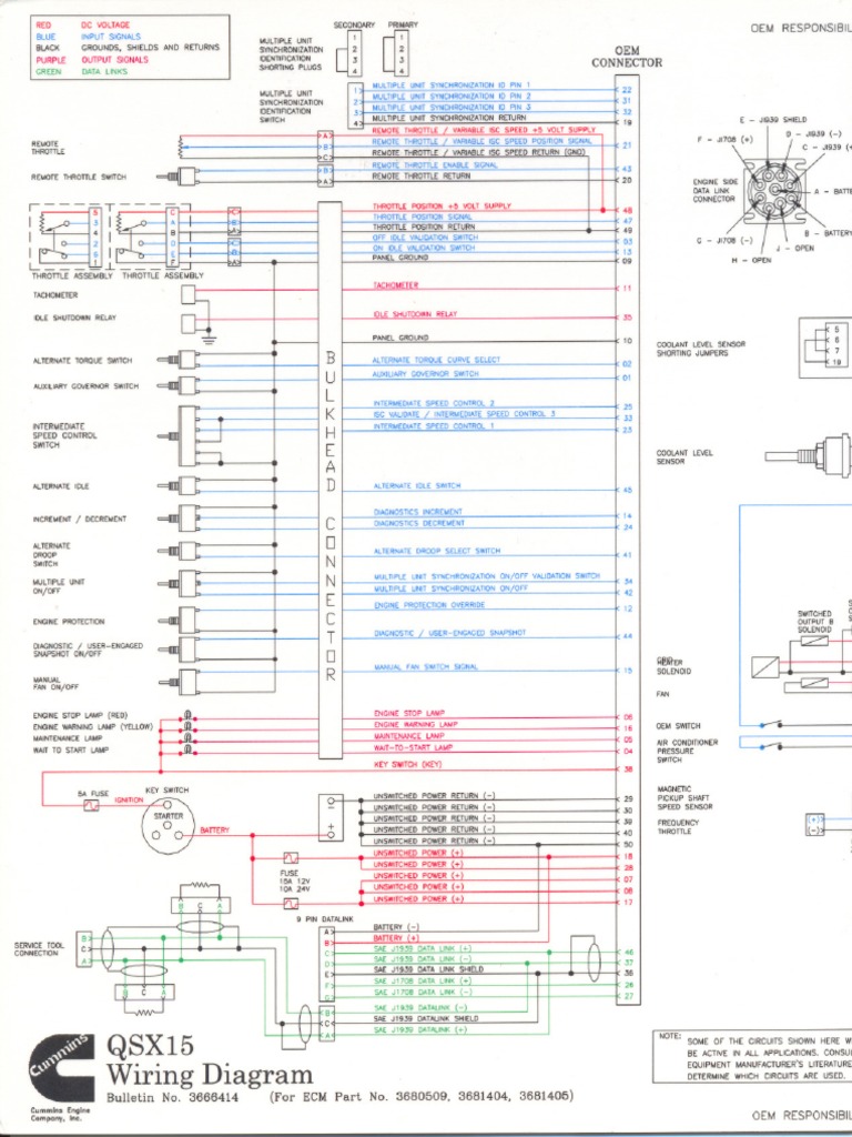
I will combine shipping on multiple purchases. The cummins isx cm871 engine ecm wiring diagram provides information for the correct servicing and troubleshooting of electrical systems and is essential for all mechanics carrying out repairs or maintenance on the cummins isx engine with cm871 control system.
Cummins Isx With Cm871 Control Module Without Aftertreatment
Isx cm871 wiring diagram. 254482146419 2000 2004 cummins isx engine electrical wiring diagrams manual 2001 2002 2003 manual is in good used condition. Find great deals for wiring diagram cummins isx cm shop with confidence on ebay. Complete with no missing pagesshipping within us 48 states is free. Isx qsx workshop manual components sections 12 and up 310 pages click to download isx and signature cm870 electronics training manual 18 pages click to download isx engine diagrams cm870 cm871 cm570 14 pages click to download. The cummins isx cm871 engine wo aftertreatment ecm wiring diagram provides information for the correct servicing and troubleshooting of electrical systems and is essential for all mechanics carrying out repairs or maintenance on the cummins isx cm871 engine wo aftertreatment. Manualbasket 22435 996 location.
Cummins isx ecm wiring diagram cat c7 ecm wiring diagram wiring diagram cummins isx ecm wiring diagram wiring diagram is a simplified welcome pictorial representation of an electrical circuit. Cummins isx engine brake wiring diagram file pdf book only if you cummins isx cm engine. Hi guys can any one please post the wiring diagrams for cummins engines i am trying to make bench cable for cummins highway engines need these wiring diagrams to figureout which wire go to where. It shows the components of the circuit as simplified shapes and the faculty and signal friends together with the devices. 9 25 27 all are grounds back to the battery. View the wiring diagram on your computer or tablet.
On this pete a 96 pushbrooms cummins diagram is right on. 20 21 22 and 23 are power directly from the battery. Cummins isx cm871 wiring diagram. The module for this example is a cummins cm870 from a signature isx engine. 04 07 2012 0447 am ashu01 wrote. Please e mail me for a shipping quote outside the us.
26 is the keyed power. 4021521 b gas international engines wiring diagram 4021524 qsb45 qsb67 qsc83 and qsl9 cm850 ecm wiring diagram 4021532 isbe4 cm850 ecm wiring diagram 4021572 isb cm2150 wiring diagram 4021573 isc and isl cm2150 control module wiring diagram 4021574 ism cm876 control module wiring diagram 4021575 isx cm871 control module. The actuator connector c carries the hots and grounds. The power for 26 comes out of the oem harness over to the actuator harness. Fairfield iowa ships to. The cummins isx cm871 engine ecm wiring diagram provides information for the correct servicing and troubleshooting of electrical systems and is essential for all mechanics carrying out repairs or maintenance on the cummins isx engine with cm871 control system.
















