Download kelly pm controllers configuration program v33. How to make e bike motor controller with circuit diagram duration.
2018 Hot Kelly Controller For Electric Bike Motorcycle Bldc Motor View Kelly Controller Kelly Kelly Product Details From Taizhou Quanshun Electric
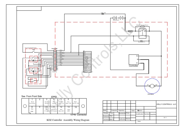
Kelly controller wiring diagram. Download kblkeb assembly wiring diagram download pm assembly wiring diagram dimension. Download assembly wiring diagram dimension. Our expansive production line covers a wide range of essential motor gear and accessories as well as models including controllers for electric boats electric gliders and electric vehicles designed for industry purpose as well. Ordered a 2kw mini cyclone with the kelly controller option. The problems i had were down to my wiring connections so hopefully this thread will help anyone considering the mod and avoid them making the same mistakes. Kelly controller wiring questions i just bought the kelly controller kds36100e and i am having trouble with figuring out the wiring.
Kelly pm controllers configuration program online demohelp. Bldc motor and controller wiring. Download wiring diagram of general 14 pin control box download wiring diagram of control box for single kbl controller. Toyotron electric scooter upgrades number 18 new kelly motor controller. Download kelly hpm controllers user manual v33. Download kelly kdhe assembly wiring diagram v11.
Download wiring diagram of control box for single hpm controller. Everything worked as advertised but the controller came programmed at a power level of 100 which would probably fry the motor in fairly short order 120 amps. Got the suggested programming cables and downloaded the programming app. Secondly the wiring diagram in the kelly. At kelly controls our mission is to promote technology which delivers high quality performance for an affordable price leading towards a clean and sustainable future. Kac h sealed svpwm ac induction motor controller 24v 72v 220a 500a configure.
Download wiring diagram of control box for single pm controller. Hi after breaking a couple of controllers in the process ive now completed a kelly controller installation on an oset 160 24v. Kvd kbl ksl kbs keb khb kds kdz kdh pm kpm hpm kls kac kd kbs l dcdc converter usb driver kvd kelly kvd controllers user manual kelly kvd configuration program pc version kelly kvd configuration program android version kbl kelly kbl controllers user manual kelly kbl controllers configuration program 0406 kelly kbl assembly wiring diagram. I have not added the reverse contactor and the wiring diagram shows the controller having 2 junctions or two connectors but on the actual controller i got there are 3. Download wiring diagram of control box for single kbs controller. Download kelly pm controllers user manual v33.
Download kelly pm assembly wiring diagram v11.















