Kymco agility 125 parts. Actually we also have been noticed that kymco agility 50 wiring diagram is being one of the most popular subject right now.
Kymco Agility 125 Wiring Diagram F6 Wiring Diagram
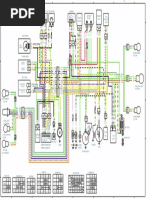
Kymco agility 125 wiring diagram. Kn25ea exploded views for kymco agility 125. This particular image kymco agility 125 wiring diagram kymco agility 125. The super 8 125 is probably the most polished feeling scooter that kymco make. Agility 50 agility 50 4t r10 agility 50 4t r12. General information agility 125 troubleshooting engine will not start or is hard to start inspectionadjustment probable cause symptom check if fuel reaches carburetor by loosening drain screw empty fuel tank clogged fuel line between fuel tank and. Over the past from that moment 40 years the company has evolved into one of the largest manufacturers and among the ten most powerful.
The following diagram is the wiring diagram of kymco super 8 motorcycle. This scooter uses a front and a rear tire. The ride has a nice feel to it and the finish on the dash seat and pipes looks the best of the lot. Second opinion how do i wire a toggle switch on my kymco agility 125 scooter to get it to start i cant get a key made for it and i cant get it to turn over any other way i have to get power to it somehow so i was wondering how i would hook up toggle switches to get power in to get it to start. Its well priced too. History kymco began in 1963 since inception in taiwan assembly plant of the japanese company honda.
Agility 125 scooter pdf manual download. General information agility 125 wiring diagram 1 20. From the thousand images on the web with regards to kymco agility 50 wiring diagram we all selects the very best libraries with ideal resolution only for you and now this pictures is usually one of images collections in this ideal graphics gallery concerning kymco agility 50 wiring diagramlets hope you might like it. It offers the sportiness of the agility with the comfort of the like. Select exploded view for kymco agility 125 on the leftmenu or below. The cyclepedia press llc kymco agility 50 scooter online service manualfeatures detailed full color photographs and wiring diagrams completein essence an upgraded and up engined agility 50 the agility parts company with its competitors by way of its exceptional value.
Some kymco motorcycle atv manuals pdf wiring diagrams are above the page agility bet win filly dink grand dink grand vista fever people. Kymco agility 125 wiring diagram kymco agility 125 service manual regarding kymco agility 50 wiring diagram image size 946 x 575 px. View and download kymco agility 125 service manual online. The cyclepedia press llc kymco agility 125 scooter online service manual features detailed full color photographs and wiring diagrams complete specifications with step by step procedures performed and written by a veteran dealer trained scooter technician.












