A socio unico strada casale 175 36100 vicenza vi italia cf. Cng kit wiring diagram for is a one of good picture from our gallery.
Landirenzo Cng Manual
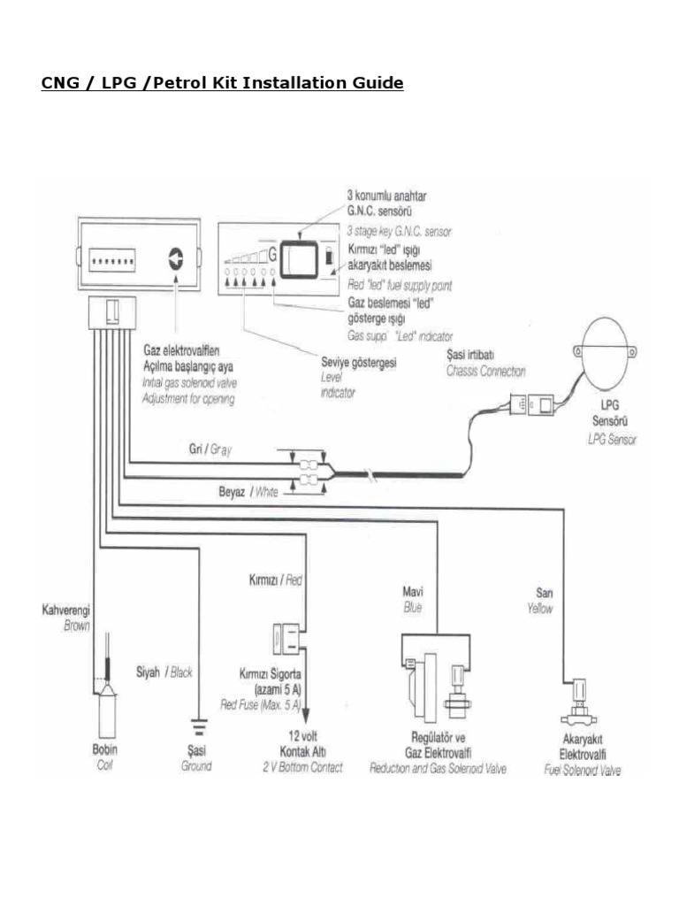
Lovato cng kit wiring diagram. Cng fuel system. Petrol and diesel engines to lpg cng and lng conversion equipment. Diesel particulate filter dpf problems solved. Lovato decli nes all liability for injury to people or damage to property should its equipment be tampered with. Rea 0316445. A socio unico strada casale 175 36100 vicenza vi italia cf.
70 operation of the switch. Wwwlpgautopl auto perfekt poczesna tel 792 550 519 cable 7 ac 4gas stag 200 stag 300 stag 300 plus stag 300 premium stag 4 stag xl vector kme bingo bingo m bingo s diego diego g3 diego ls nevo esgi esgi 2 lovato fast smart lpgtech tech 100 tech 200 tech 300 tech 500 ic 4 gas. Lpg installations servicing and system upgrades. 60 easy fast smart 4 cylinder cng wiring diagram. Iva it03328680248 capitale sociale 12000000 iv. Autogas and lpg conversions systems parts and tanks for campervans campers motorhomes.
Diesel lpg and petrol performance centre. There are different types of wirings for the connection of petrol injectors to the gas control unit. Mechanical repairs and servicing all makes. 5 20 connection of the injectors cut off wiring. Cng reducer repair kit. The switch supplied with the kit is equipped with a push button 7 luminous leds and an internal buz zer.
English version lovato gas cng systems for vehicles installation training. Rea 0316445. Basically there are two systems available and diesel engines that have been converted to operate on natural gas require additional components as well as some mechanical modifications to the. The cng kits contains a storage tank connected to a reducer to reduce gas pressure then to mixer that feeds mixture of gas and air to the injectors. 1 4 3 5 2. The gas and air mixture is sent to the engine where spark from spark plug burns the gas to generate pressure that moves the piston and gives poweracceleration to the car.
Iva it03328680248 capitale sociale 12000000 iv.












