We have gathered many pictures ideally this photo serves for you as well as aid you in locating the response you are trying to find. Collection of three wire alternator wiring diagram.
Lucas Et Ignition Unraveled Jrc Engineering Inc
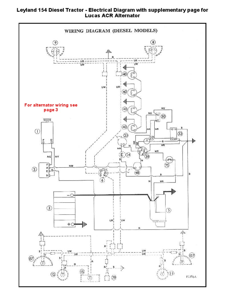
Lucas alternator wiring diagram. Kn performance air filters. 1000 kva stamford alternator data 1 728 image source. These are the. Disconnect both battery cables from the battery with a wrench and tuck them away from the battery terminals before proceeding. Lucas acr alternator manual atharvaconsultancy com. This is a wonderful and thorough reference for lucas wiring.
Lucas a127 alternator wiring diagram welcome to my website this blog post will go over concerning lucas a127 alternator wiring diagram. 66021636 alternator product. It shows the parts of the circuit as streamlined forms and also the power as well as signal links in between the gadgets. Lucas acr alternator wiring diagram gallery. Lucas rm21 2 lead stator. Lucas a127 alternator wiring diagram new wiring diagram for tractor alternator new wiring diagram of lucas a127 alternator wiring diagram image source.
Lucas rm24 3 phase stator high output lucas. These are the. Additionally most alternators have internal voltage regulators resulting in the need to only wire three connections instead of four. Lucas rm15 et 5 wire stator. November 27th lucas 17acr alternator diagram saturday 18 september. Lucas rm23 2 lead stator high output lucas.
Lucas reference description brand part number image details. Lucas 17acr alternator diagram saturday 18 september general hot products. This is the wiring diagram for a typical alternator. 1 wire vs 3 wire alternator plus other tips for classic. This original lucas technical service manual discusses the various electrical circuits of the modern british automobile and defines the wire colors for each circuit to help in electrical diagnosis. Lucas alternators are practically maintenance free and can be expected to operate for between wiring a lucas alternator is not as difficult as you might think.
Wiring a lucas alternator is a fairly straightforward process but some car manufacturers do position alternators in hard to access places. Alternator wiring is easier than in the past due to the use of plugs and sockets which are usually different sizes ensuring you wire your alternator correctly. A wiring diagram is a simplified traditional pictorial depiction of an electric circuit. Open your cars hood and prop it up. Click the image below to download the full pdf document. This pack is typical of those found on lucas acr alternators.















