Whole range of mecc alte alternators. Besides a high pickup capacity motors startup.
Mecc Alte Wiring Diagram Der1 Mecc Alte Avr Der1 A Regulator
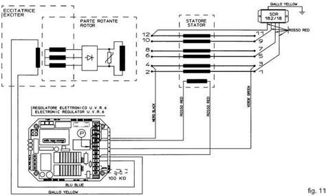
Mecc alte generator wiring diagram. The generators of this 4 pole alternator series are three phase with brushes and they are characterised by a compound type regulation on the 3 phases. Connection diagrams the following are the most common connection arrangements utilized with mecc alte generators. Mecc alte spa vat number it01267440244 share capital 10000000 euro. Connection diagrams are supplied with every generator and should be used as the primary source of information. The relevant diagram in figure 7. Mecc alte ecp series is 1 or 3 phase brushless rpm avr controlled phase avr controlled with aux winding 6 or 12 wire rpm brushless units.
Able to work even in case electrical see diagram on table 2 page 60. Mecc alte spa vat number it01267440244 share capital 10. The two versions differ mainly in some default parameters note. In fact the decs 150 can be fed indifferently by the pmg3 maux or even shunt excited. Block diagram installation upon receipt of the digital regulator perform a visual inspection to ensure that no damage has been su stained during transportation and movement of the equipment. 1 hp x kva they also provide good performances under a single phase connection.
Full or partial reproduction prohibited if not authorized winding as shown in the figures beside and in the wiring diagrams for technicians who have read and understand the installers manuals of the mecc alte section 7 generator terminal block diagrams. Mecc alte wiring diagram mecc alte spa generator manual best download document library find about wiring diagram for mecc alte alternator in download document library database technical manual. If the regulator is not installed immediately. Mecc alte generator wiring diagram possible connections when the generator does not have auxiliary winding. Always verify that the connections of all the leads from the main stator are consistent with the nameplate voltage required. In the event of damage advise the shipper the insurance company the seller or mecc alte immediately.
The worlds largest independent producer of alternators 1 5000kva. Eco ecp manual september revision 2. For further information please refer to the factory with an email to email protected. Mecc alte manufacture and supply innovative power production equipment for a range of applications to companies around the world. The decs 150 is suitable for the mecc alte brushless alternators start from eco38 to eco46 included the medium and high voltage series eco46 and eco49. Instruction manuals of obsolete generatorsaccessories.
3 to 38 the second is optimized for mecc alte alternators series 40 46.
















