Mg mga wiring diagrams. Wiring harnesses fittings.
Rh 9914 Lube In Addition Triumph Wiring Diagram On 196 Mga
Mga wiring diagram. Wiring help need diagram 1960 mga 1500. Mga 1500 1600 mkii. Shown below is the mga battery charging circuit diagram. Start checking the circuits and color codes here. Firstly its illegal and secondly. Tr 2 3 4 wiring diagrams.
1960 mg mga 1600 1968 mg midget daisy mae 1971 mg mgb 1972 mg mgb gt. There are two things you need to know. Additionally there is wire color code and trouble shooting informationon a previous page. Mga 1500 524 kb pdf file mga 1600 300 kb pdf file. Topic list forum list newer older start new topic. These pdf files can print full size on 11 x 17 paper.
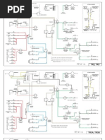
The 1976 tr6 wiring diagram appears to be wrong about starter connections. Its pretty easy to tell which pieces you have. Mga 1500 1600 mkii. Wiring diagrams in color for mga cars et 101k color renderings compliments of jeff strong in eden new york usa click for larger images in printable pdf files. The control box is part of the charging circuit. Mgb wiring diagram all models.
Simplified wiring diagrams and on several pages to follow. Et 101j snap connector count for mga cars et 101k wiring diagrams in color for mga cars et 102 slow blow fuses and why you should not use standard fuses et 102a fuse box which fuse goes where et 103 lighting gremlins bad contacts and diagnostics et 103a lucar connectors and why i hate them. Shown below is the mga primary electrical load diagram. Sign in to contact. Beaverton or usa. Mga tips mgb midget tips mgt tips mmm tips tech session photo archives wiring diagrams for mgb mgc.
Looking for a free mg mga haynes mg mga chilton manuals. That box and each of the five boxes at the right have a link to an expanded view of those circuits. This circuit is drawn as the car was originally equipped with positive earth electrical system and two 6 volt batteries. Mgb wiring diagram terrys. Wiring help need diagram 1960 mga 1500 1. You can tell by the wire colors which ones connect where.
Click links for 33 different wiring diagrams for mgb and mgc large format in color. The image below shows these connections correctly. We get a lot of people coming to the site looking to get themselves a free mg mga haynes manual. In general the mga harness is made in 5 pieces main dash front side and rear harness sections. 6264 mgb from bentley a8753aw 6467 mgb from bentley b51798. Wire harness crimp bullet ends various sizes.
Tr 250 6 wiring diagrams note. One 12 volt battery may be substituted in place of the two 6 volt batteries. Posted by a1972mgbgt. 2 wire bulb socket for wedge base bulbs.

















