Grid plus is a comprehensive modular switching and monitoring system ideal for a variety of applications within the commercial public and domestic sectors. The comprehensive range of modules includes switches indicators dimmers secret key switches printed switches and buzzer units making it the ideal system for commercial and public building applications.
Hamilton Litestat
Mk grid switch wiring diagram. It shows the components of the circuit as simplified shapes and the capability and signal connections amid the devices. Mk grid switch wiring diagram wiring diagram is a simplified up to standard pictorial representation of an electrical circuit. Grid plus cover plates have the advantageous design features of the mk wiring device ranges and the interchangeable modules also feature many of the wiring and installation benefits common to. 3 dimmerto remove module press tab at top and lever forward. Electrical product mk electric home gb products wiring devices grid plus switch modules 10 amp k4900. 2 module pushes into place at top with a click.
Easy to fit and change grid plus modules simply clip into place from the front of the mounting frame. Grid plus is a modular switching and monitoring system in a choice of attractive finishes to match complementary accessory ranges. The pre printed ones in the link above really do look the dogs danglies imo. Dimmer wiring diagram rocker window labels the following labels are available for insertion into window rockers. The comprehensive range of modules includes switches indicators dimmers secret key switches printed switches and buzzer units making it the ideal system for commercial and public building applications. Features benefits vast range.
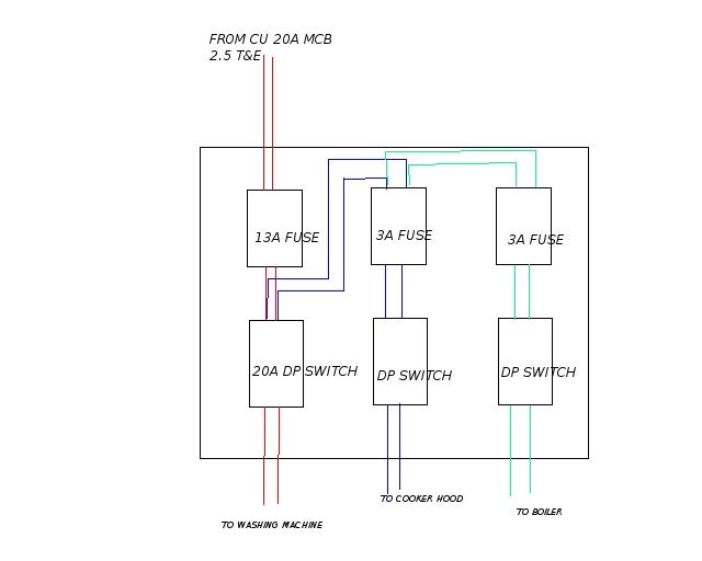
The largest rated grid switch whitch mk do is a 20a dp switch which depending on circuit design is normally sufficient for a kitchen grid. 23975 mk grid plus dimmer switch modules 1 module 40 220w 180va 4 70w led. Typical mounting arrangement n l l 1 l 2 c. Modular switching system installation 1 locate bottom tab of module in base of grid.















