Mpcbmccb uses to control input supply of your vfd control the circuit by onoff the push button. Protection against electrical faults such as short circuits line to ground faults and line to line faults.
The Design Basics Of Motor Protection Circuit Breaker Eep
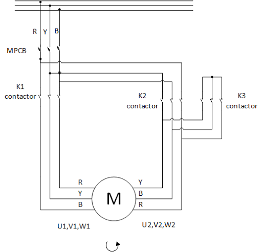
Mpcb wiring diagram. Motor protection circuit breaker. The parts of the motor protection circuit breaker detailed in figure 1 are precisely coordinated so that the common tasks the rapid disconnection of short circuit currents and the dependable recognition of overloads can be performed optimally. How does vfd start stop wiring diagram work. Standards compliance and certifications standards compliance certifications iecen60947 1 2 4 1 5 1 ce marked iecen60204 1 ccc csac222 no14 csa certified. It is available from 01 amps to 630 amps. The above diagram is a complete method of single phase motor wiring with circuit breaker and contactor.
This is additional protection or backs up protection for our motor. In some cases this may require over sizing of the bulletin 140m mpcb or the 100 c contactor to achieve weld free performance and meet the additional life requirements. A motor protection circuit breaker or mpcb is a specialized electromechanical device that can be used with motor circuits of both 60 hz and 50 hzit has several functions that allow it to provide a safe electrical supply for motors. Here mcb uses to control the input supply into the circuit. The mpcb can interrupt any electrical fault that is. It will protect our equipment from short circuit equipment overload single phasing and sometimes from single phase to earth fault.
These devices are traditionally used in two component starter applications with a contactor to control a motor load. Rl1 and rl2 contacts should be taken from the vfd feedback relays. In the above one phase motor wiring i first connect a 2 pole circuit breaker and after that i connect the supply to motor starter and then i do cont actor coil wiring with normally close push button switch and normally open push button switch and in last i do connection between capacitor. It is the primary protection of the motorany power unit.

















