3 wire and 4 wire dc. Industrial sensors of all types have connection diagrams.
Amazon Com 5pcs Lj12a3 4 Z Bx Npn Nomal Open Inductive
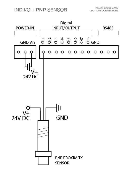
Npn proximity switch wiring diagram. Wiring diagrams show the hook up offour sensors with npn and pnp outputs. A key point to observe is that pnp and npn has nothing to do with whether the sensor is normally open no or normally closed nc ie. Two specific types of 3 wire sensors are available. This wire is noted on the io modules wiring diagram. My schematic is better. You will notice that the load appears between the v brown and switching wire black.
The following is a wiring diagram of an open collector npn sensor. A pnp sensor may be either no or nc as can an npn be. We will be wiring a capacitive proximity switch into the input of our click plc. Pnp sensor outputs switch in a positive fashion. Pnp switched positive npn switched negative switched refers to which side of the controlled load relay small indicator plc input is being switched electrically. Selectable output with a 12mm sensing distance.
The difference is a result of the internal circuit design and type of transistors used. That means that the sensor can be wired as positive sourcing or negative sinking switch. This means that multiple sensors can be connected to an input card with all sensor negative wires to one common wire. Schematic for hall proximity switch from ebay its like a baby is drawing it in practice for laymen this diagram inappropriate. The schematic diagram symbol for a proximity switch with mechanical contacts is the same as for a mechanical limit switch except the switch symbol is enclosed by a diamond shape indicating a powered active device. The v brown will be attached to the common input and the switching wire black will be attached to the input number.
If a switching output is strictly pnp or npn the external connection through the loadthanks for purchasing our inductive proximity limit switch kit. The ck1 00 2h is an 18mm diameter npnpnp nonc. The switching logic pnp or npn are not related to the supply voltage of the sensor or the operating voltage of the input. Either the load is connected to negative and the positive is switched pnp continue reading an easy way to remember pnp and npn sensor. Referring to the npn wiring diagram above note that the sensor supply voltage and the high side of the load are connected to the same point and are therefore at the same voltage. Keep in mind that the hall probe sensor only switches when the magnet is 1 10mm awayto test the wiring run the magnet in front of the probe mthe speedometer on the led display will show.
Npn sensor outputs switch in a negative fashion. Ultrasonic proximity switches sense the presence of dense matter by the reflection of sound waves. When connecting to the plc the plc input acts as the load. Heres a simple way remember how to wire up a 3 wire dc pnp or npn sensor.















