Its carefully designed to help coordinate busy trades by locating hall call buttons in the door jamb. Project specifi c special requirements may result in changes to the above information.
Otis Elevator 3200 Drawings
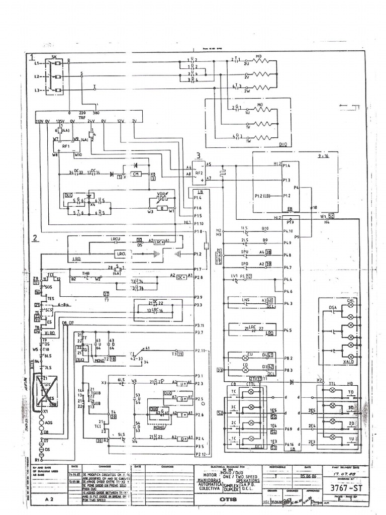
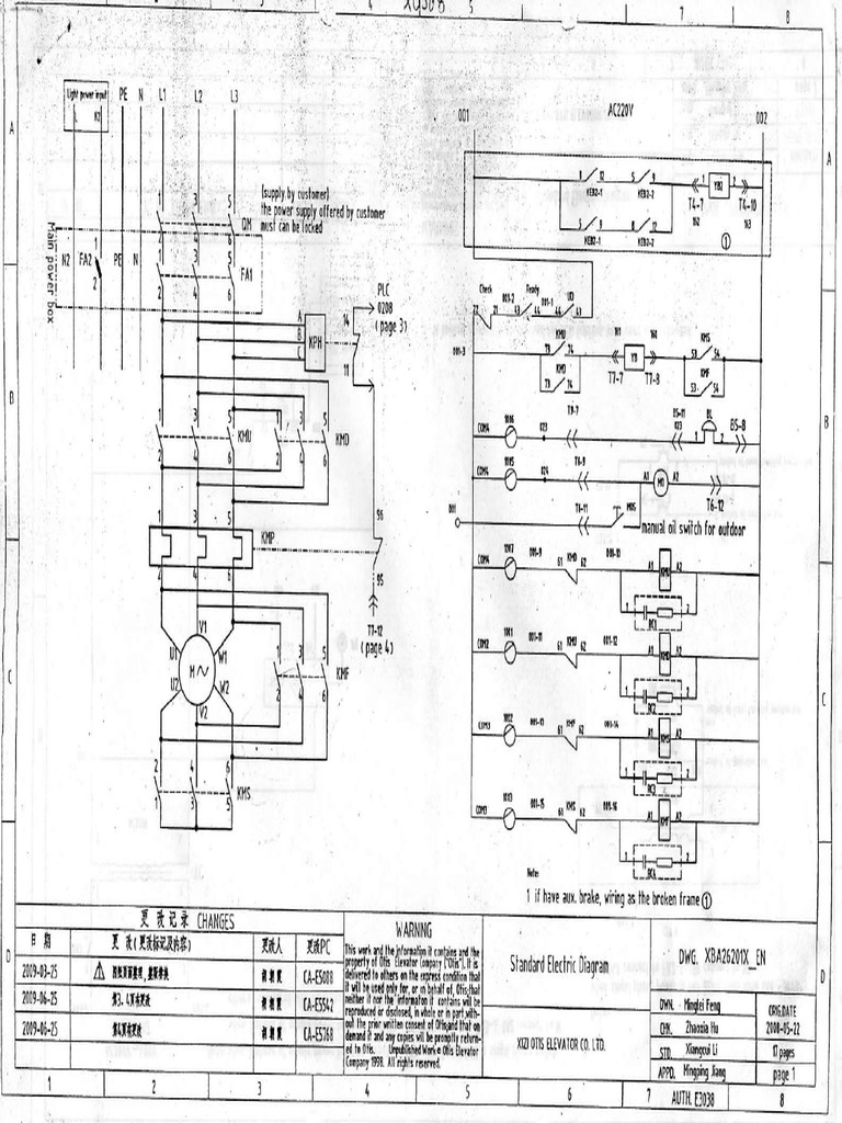
Otis elevator wiring diagram. Through the thousands of pictures on the web regarding elevator electrical wiring diagram we all choices the very best choices having ideal image resolution only for you all and now this photos is usually considered one of photographs series in our best photos gallery concerning elevator electrical wiring diagrami am hoping you may as it. Please consult the system wiring diagram for your project for further details. Otis 300vf system wiring diagram. Our product line includes door systems products such as panels operators detection devices and tracks and hangers. A wiring diagram usually gives assistance practically the relative tilt and harmony of devices and terminals on the devices to back in building or servicing the device. Perfectly adapted to work in fast paced smaller building projects it cuts lead times and makes the planning process simple and stress free.
The gs27 in this case refers to a otis mod of ac controller with a dc overlay for a new retiring cam motor and cam motor automatic gate closer. Otis elevator wiring diagram pdf wiring diagram is a simplified okay pictorial representation of an electrical circuit. We also carry hydraulic power units starters emergency return units and related hydraulic replacement parts. Find an upgrade for your elevator and request a quote from otis. Electronics inc position indicator specialist is the largest independent supplier of position indicators and accessories for the elevator industry. Original sheet 4012 date july 19 1920.
Also changed was a direct ac brake for dc brake and a dc brake control panel was added. The hydrofit elevator saves time and money on your jobsite by being machine room less. Upgrades for your elevator and escalator needs whether its enhanced safety energy efficiency or engineering excellence youre looking for otis has the most advanced options in upgrades and replacement products for your elevator. Otis elevator 3200 drawings free download as pdf file pdf or read online for free. It shows the components of the circuit as simplified shapes and the faculty and signal friends with the devices. Th e above diagram shows wiring for a typical installation.
We have full product lines of position indicators in segmented displays dot matrix displays liquid crystal vacuum fluorescent displays and flat screen styles. This image otis wiring diagram otis elevator manual. The unitec parts company offers over 150000 otis and non otis parts for repair and maintenance projects. Wiring diagram protector document. Unitec offers both otis and esco original contract wiring diagrams and layouts. Sheet gs4 3329f date april 16 1954 condensed.













