Ufh polyfit polymax polysure ufh ufh ufh 10mm plumbing heating plumbing heating 12mm ufh 15mm plumbing heating. 44 01709 770000 fax.
Fr 1288 Wiring Diagram For Wet Underfloor Heating Schematic
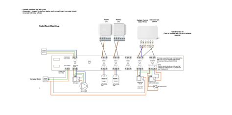
Polypipe ufh wiring diagram. Neon indicators show room activation. Browse the literature library to find all product related literature including technical information specification documents datasheets installation guides and much more. 113 wiring details underfloor heating testing filling commissioning 116 introduction. Product literature technical information. This unit provides up to 4 additional control zones. Up to 4 actuators can be connected per zone.
Browse the literature library to find all product related literature including technical information specification documents datasheets installation guides and much more. Polypipe underfloor heating provides effortless comfort with energy efficient systems that provide a more natural ambient temperature throughout the home. Pb00402 polypipe ufh 4 wire valve actuator. Polypipe building products broomhouse lane edington doncaster dn12 1es uk tel. Polypipe wiring centre 4 zone slave units are always used in conjunction with the master unit and provide simple wiring of actuators and room thermostats for multiple zone control. Save to my polypipe.
And with the widest range of water based systems in the uk we have a solution for every project and application. Welcome to affordable luxury at the touch of a button. Product literature technical information.















