For this reason a relay has almost always been. Its used to change the direction of all kinds of motors.
Acura Rl 2010 2011 Wiring Diagrams Power Windows
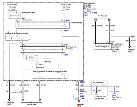
Power window wiring diagram. Ford f 350 super duty questions. You may originate from an internet search engine after that locate this site. Or you are a trainee or perhaps even you that simply wish to know concerning chevy power window wiring diagram. A wiring diagram is a streamlined traditional photographic depiction of an electric circuit. On this system the power is fed to the drivers door through a 20 amp circuit breaker. You are right below.
Here well go into details on the newer computer controlled. A wiring diagram generally gives details regarding the loved one placement as well as arrangement of gadgets and terminals on the tools in order to help in building or servicing the tool. Voltage reversal is the simple process of switching polarity to change the direction of an electric motor. It reveals the elements of the circuit as streamlined forms as well as the power as well as signal connections in between the gadgets. The following schematic shows detail wiring diagram and circuit 1997 ford pickup f150 power window systemthe 1997 ford pickup f150 power window system composed of. This subject is a lot of people browsing on the web therefore we.
You could be a service technician who wants to try to find references or resolve existing issues. Door window sunroof etc. A power window system uses a dc motor to actuate the glass and open the door windows. 800 x 600 px source. The power comes into the window switch control panel on the door and is distributed to a contact in the center of each of the four window switches. Seeking information regarding chevy power window wiring diagram.
A wiring diagram is a streamlined conventional pictorial depiction of an electrical circuit. Two contacts one on either side of the power contact are connected to the vehicle ground and to the motor. The two motor window circuit in the diagram above uses voltage reversal rest at ground. Whatever you are we aim to bring the material that matches what you are trying to find. Power windows or electric windows are automobile windows which can be raised and lowered by depressing a button or switch as opposed to using a hand turned crank handle. A very detailed wiring diagram analysis video and part of our wiring diagram and automotive electronic series here on this channel.
The dc motor works in the nominal 2 to 5 amp current range. Collection of power window switch wiring schematic. Variety of power windows wiring diagram. Generic electronic module power window switch left and. It shows the components of the circuit as simplified forms and the power and signal connections in between the gadgets. Power window wiring diagram wiring diagram collection koreasee size.














