Engine control relay b7 c7 b6 c6 b5 t t oxygen sensor 1 bank 1 oxygen sensor 1 bank 2 injection module 1 2 3 4 5 6 injection module. Prins auto gas systems australia pty ltd fuel gauge reset relays fuel gauge reset relays remove the drivers side kick panel and locate the large white multi pin plug.
Prins Vsi Injector Module 6 Cyl Simulation Module Including
Prins vsi wiring diagram. Prins autogassystemen is not responsible for any damages to people or objects as a result of changes to prins products. Locate the thin light blue wire. Vsi lpg cng ecu manufacturer. Locate the thin violet silver dots wire. Vehicle fuel system scan tool or obd scan tool prins part nr. A1 a2 a3 a4 a5 a6 b6 a7 a8 b1 b2 b3 b4 b5 b8 b7 vsi ecu c6 c1 c2 c3 c4 c5 c8 c7.
Vsi lpg cng ecu manufacturer. This photo is the rear end of the plug facing the inner guard. Vsi 8 hall sensor camshaft sensor lambda sensor with heater b1 40 46 hall sensor tanklevel sensor 12 49 48 lpg beeper lpg switch 8 pole connector yellow green brown orange yellow red black red yellow green ground black brown black grey grey grey brown grey red green orange purple white blue grey white red red red white 1 2 3. Lpg conversion petrol vehicles. 08070090 torque wrench 10nm portable light assortment drill bits 4 to 12 mm assortment cutters ø 20 30 50 70 mm punching tool ø 70 mm round file portable drill or pneumatic drill. Crd performance bolton the lpg conversion experts.
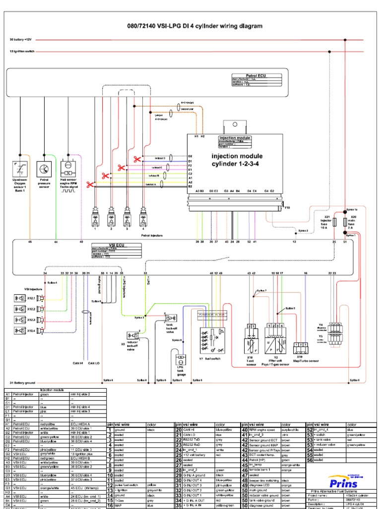
09999928 exhaust gas analyser multimeter oscilloscope prins vsi diagnostic software prins vsi serial interface prins vsi break out box part nr. Check our website regularly for diagrams certificates updates info bulletins and product information. Refer to diagrams a b 12v wire. Use this diagram to familiarize yourself with the function and location of each component before using the vsi controller. The following functions are available with the vsi controller. 18070004 vsi wiring diagram 4 cylinder lpg without connectors 50 43 42 15 18 17 22 23 main ground vsi lpg ecu manufacturer.
08070090 torque wrench 10nm portable light assortment drill bits 4 to 12 mm. Prins vsi 1 and vsi 2 installation manual diagrams. Prins vsi 8 cyl wiring diagram. Prins vsi diagnostic software prins vsi serial interface prins vsi break out box part nr. Published september 27 2012 by webmaster. Ts 23 04 07 rk 26 10 07 1 jt 26 10 07 11 08072050 vsi wiring diagram 6 cylinder lpg without connectors 30 battery 12v 15 ignition switch petrol ecu manufacturer.















