Using a plastic pry tool carefully pry out the stock bezel from the top down to pop it out. It includes instructions and diagrams for various varieties of wiring methods along with other things like lights home windows and so on.
9000cd My93 Pre Facelift Rear Lights Diagram Saabcentral
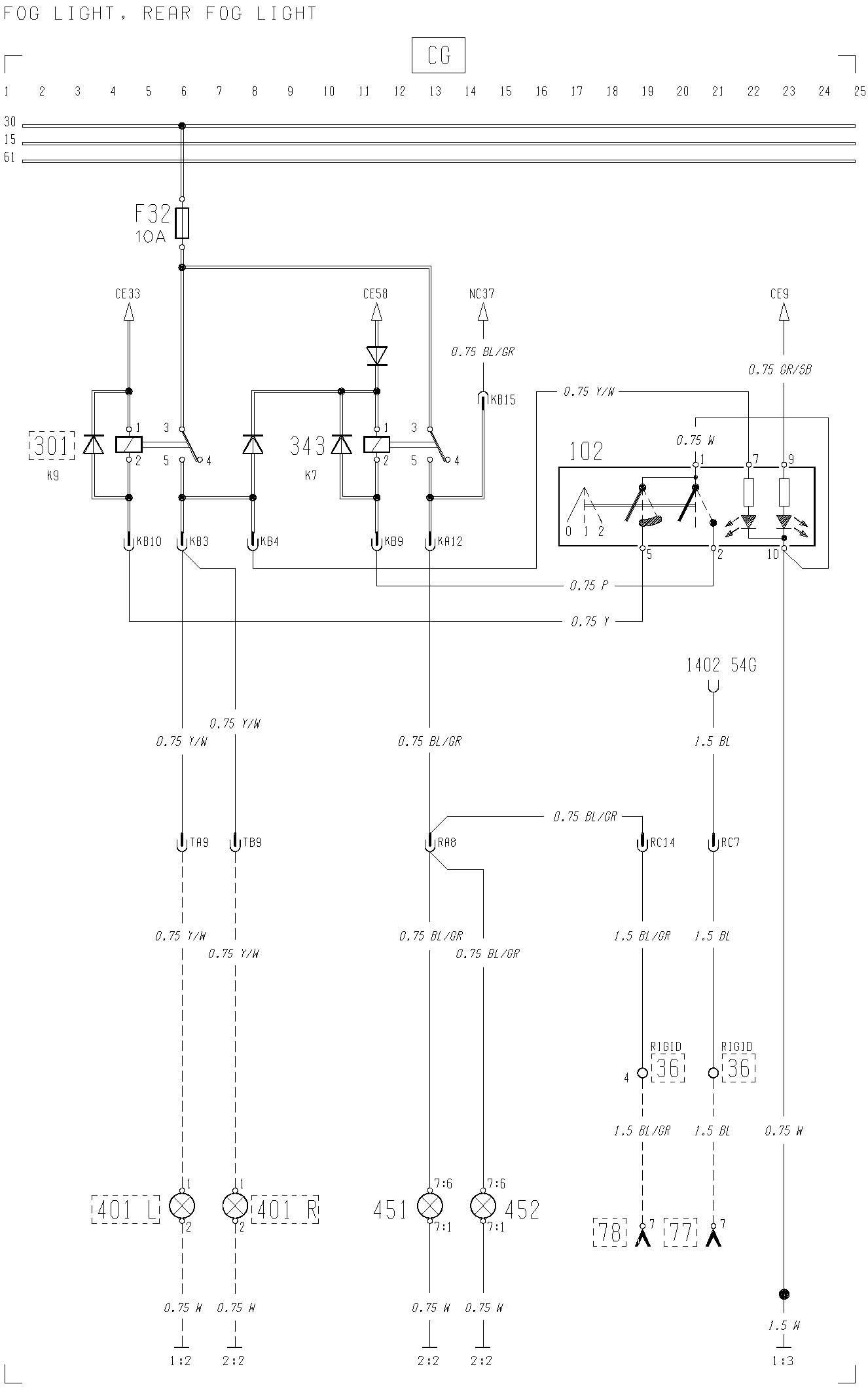
Rear fog light wiring diagram. Ijdmtoys led rear fog light has expanded to include a wide range of options for popular cars including the nissan z subaru. Turn on the low beam headlamps. For this walkthrough we will be using the scion fr s as a reference. Use as reference only. 05f 250 fog light wiring diagram manual e books fog light wiring diagram with relay. Draw the red wire brake light function from the led rear fog light up behind the trunk liner all the way to the oem 3rd brake light.
15a fuse to replace the existing 75a fuse optional for brake lights 75a fuse for foglight installing rear foglights is a relatively simple procedure you just need to provide 12v to the rear bulb carrier modified or the euro one and install a bulb back there. This is a general installation guide for how to install our fog lights. Here is a fuzzy. Locate the low beam or high beam light lead on one headlamp by using a circuit tester. Attached is a pic of the installed unwired switch. We recommend referring to your fog lights corresponding installation guide included in your package or online at our led fog lighting guide page.
800 x 600 px source. Pictured is my wiring diagram for installing two fog lights with fuses a switch and a relay. They would have to come off a fuse though. Your lamp kit harness my have different wire colors. My 2003 tundra has the foglight switch on the stalk. Do the rears come straight off the switch.
It is for this reason that we present here the proper way to wire a fog light systems. Also bought a toyota fog light switch similar to those on a 2002 tundra. Also i have attached pics of the rear bumper lights. Draw a diagram on plain white paper with wire gauge noted and colors identified. Now tap the red wire to the oem 3rd brake. There isnt a wiring diagram for the rears on haynes or the porsche ones just the fronts with the relay so a bit stuck.
Fog light wiring diagram with relay. This wiring diagram will stay with the car so make it neat and easily readable. Before cutting any wire a good diagram is in order. Additional brake lightfog light optional for brake lights. Wiring diagram consists of several detailed illustrations that show the relationship of varied things. Failure to do so would cause excessive heat in the wiring and switch and create a risk of fire.
Use the following procedure. 12v 40a led fog light wiring harness laser rocker switch relay size. Each component must be labeled. Connect the end of the. I need help with wiring the switch and the lights. Pictured is my wiring diagram for installing two fog lights with fuses a switch and a relay.
Ijdmtoys led rear fog light collection. I recently had a set of lights installed in my rear bumper. This is a general wiring diagram for automotive applications.















