The car has 1g fe engine ported and as far as i can tell the ecu for is200 lexus and rx8 are the same. Hi as the topic suggests i am looking for an experienced person to review my rx8 ecu wiring.
Rx8 Coil Diagram Wiring Diagram Categories
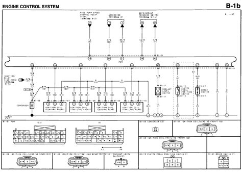
Rx8 wiring diagram. Interconnecting wire routes may be shown approximately where particular receptacles or fixtures must be on a common circuit. Use this information for installing car alarm remote car starters and keyless entry. Car stereo wiring harnesses interfaces explained what do the wire colors mean. The wiring diagram does not show the iat per se but according to my interpretation of the section on the maf system the iat is a part of that system. Mazda rx 8 2004 wiring diagram page count. Mazda b3000 wiring diagram 2007 2007 mazda mazda mpv mazda mpv 1998 workshop manual 30l sohc 1999 2000 mazda protege 4 cylinders 16l mfi dohc 32533801.
Commando car alarms offers free wiring diagrams for your 2004 2007 mazda rx 8. So i have attached the wiring diagram for the maf and the diagram showing where it connects into the pcm. Rx8 bose amp wire diagram wiring diagram is a simplified conventional pictorial representation of an electrical circuit. While debugging myself i happen to find little to no match between the wiring diagram for the 1g fe to whats been done. Quality mobile video recommended for you. 1100 x 850 x 015.
Mazda rx 8 the mazda rx8 was a sports car in the form of a quad coupe from japanese manufacturer mazda motor corporation. Model years application covers all 2004 rx8 models. I am more concerned about the engine sensor wiring since the engine itself. It was introduced at the north american international auto show in 2001 to replace the mazda rx7. 2004 mazda rx 8 coupe 4 door. Copy protected do not attempt to copy created date.
Rx8 solenoid diagram wiring diagram name architectural wiring diagrams put on the approximate locations and interconnections of receptacles lighting and long lasting electrical services in a building. This item is original. It shows the components of the circuit as simplified shapes and the gift and signal friends amid the devices. View our complete listing of wiring diagrams for your mazda rx 8.
















