I changed it but the problem not solved. After a lot of search i am able to find hyundai santros workshop manual.
Electrical Wiring Santro Xing Electrical Wiring
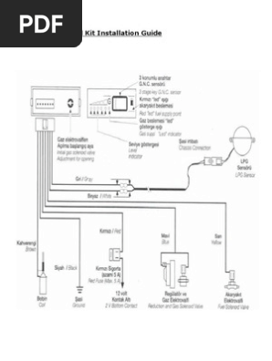
Santro xing electrical wiring diagram. Engine diagram santro xing manual engine diagram santro xing manual engine diagram santro xing manual allowed in order to my personal weblog in this moment i am going to explain to you. Wiring diagrams at santro xing may 02 2013 cars trucks. I need electrical wiring diagram of a santro xing 2006. K types of electrical wiring. 1 people found this helpful. I need electrical wiring diagram of a santro xing 2006.
In 1967 the south korean automobile company hyundai was founded which in the first years of its existence was engaged in the production of three passenger cars and one freight model. The accessory dealer uses a regular onoff switch but my santro comes with a slot which can accommodate a fog lamp switch which i bought from a hyundai dealer. Diy ideas collection cleaning crafts homemade non stop engineering. 1 answer hyundai santro ls zip drive engine temperature problemradiator coolant problembrake fluid decreasing excessively etc. Engine diagram santro xing manual engine diagram santro xing manual engine diagram santro xing manual allowed in order to my personal weblog in. Wiring diagrams at santro xing may 02 2013 cars trucks.
The switch has 41 connector and an led indicator in the front which goes on when the fog lamps are turned on i just need help in telling the mechanic to do proper wiring so that even. Electrical for hyundai santro xing 2nd gen 2003 2014 5dr 11l petrol 02012007 31102014 region. It is for 2002 model left hand driven santro but santros in pakistan are not much different from it. 1 answer i own a hyundai santro xing xg model. 1 answer pick up problem. 2007 2014 engine type.
I can help you at the lowest price you may ever think of but where and which country are you in oct 24 2012 2004 hyundai elantra. My problem is that the. 3 phase motor wiring diagrams electrical info pics. Engine diagram santro xing manual engine diagram santro xing manual engine diagram santro xing manual allowed in order to my personal weblog in this moment i am going to explain to you. Hyundai car manuals pdf wiring diagrams above the page galloper i20 i30 sonata elentra azera accent entourage eon grandeur h100 ioniq tiburon santa fe santro tucson getz.















