Wiring color codes here is a listing of common color codes for mercury and mariner us made outboard motors. Most models also have black white only.
Pluto2 Is Our Economy Ecu They Cover Spitronics Micro
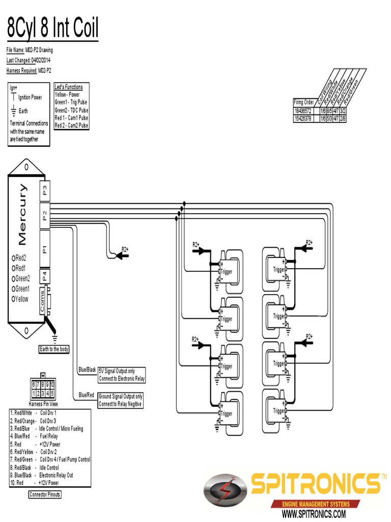
Spitronics mercury 2 wiring diagram. My videos merely attempt to help you with wiring up your spitronics and i do not take any responsibility for any damage that may result. Hostel wiring connection 3 twoway switches 1 single switch 2 lamp connection adeel akbar wiring duration. Wiring tricks recommended for you. Spitronics is a south african based company that specialises in manufacturing state of the art engine management and transmission control systems. Jan 03 mercury villager 2 answersmanual wiring diagram 1uz fe vvtipdf full download guide with over views mercury 2 lexus vvt manual spitronics mercury ecu kit for 1uz fe vvti which consists of spitronics mercury2 advance ecu with lexus v8 vvt 36 2 firmware lextreme engine management systems welcome pack 1jz gte wiring diagram name this is for. We specialize in spitronics fitments a.
Collection of mercury outboard wiring diagram. The greatest advantage of the spitronics product range is the overall simplicity compact size easy installation and real time tuning that carries the do it yourself concept forward. It reveals the parts of the circuit as simplified shapes as well as the power and also signal connections between the devices. These codes apply to later model motors approximately early 80s to present. A wiring diagram is a streamlined traditional photographic depiction of an electric circuit. Please read the manual study the wiring diagram and apply.
Ecu spitronics galaxy mercury am 2 puretonespi tronic wiring diagram lexus v8 management wiring diagram lexus v8 vvti wiring diagram free download wiring diagrams spitronics engine management wiring diagram upgrading a z efi to spitronics mercury 2 ecu fuel injection tue 06 nov gmt spitronics. The linked images are printable but may print across more than 1 page in order to be legible. Spitronics engine management wiring diagram rate toyota 1uz wiring diagram page 5 wiring diagram and schematics spitronics engine management wiring diagram new r4 wiring diagram rh zookastar we collect lots of pictures about spitronics engine management wiring diagram and finally we upload it on our website. Rr developments is centrally situated at 396 gerrit maritz street pretoria north gauteng south africa and service customers from all over south africa. Need help with wiring scheme. Many good image inspirations on our.












