Maruti esteem alto 800 ewds. It is one of best selling and most profitable car for suzuki.
                        Maruti Wagon R Technical Specifications Amp Feature List
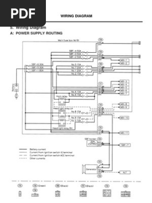
Wagon r wiring diagram pdf. Maruti suzuki master book fault codes dtc. Suzuki wagon r wiring diagrampdf. Indian automobile company maruti udyog ltd the largest in india orienting itself to the production models on the basis of suzuki. 6 mboso jazeta zdenok. Fuse box in engine compartment suzuki maruti wagon r fuse box engine compartment maruti suzuki wagon r fuse box diagram engine compartment. Download suzuki wagon r wiring diagram service manual repair info for electronics experts.
Suzuki wagon r rb310 rb413 rb413d workshop service repair manual wiring diagrams english service manual repair manual and wiring diagrams for vehicles suzuki wagon r rb310 rb413 rb413dcontentsservice manual top manual list important warningcautionnote foreword tabl. Rusky suzuki wagon ruspdf suzuki wagon opel agila. Suzuki wagon r the suzuki wagon r sold over 5 million units worldwide in 2010 is kei car produced by japanese automaker suzuki since 1993. Maruti suzuki car manuals pdf wiring diagrams above the page 800 baleno wagon r alto celerio ciaz ecco ertiga esteem gypsy ritz swift sx4 zen. The body of wagon r is unusually tall with short bonnet and looks like a vertical hatchback. Elektricke schema suzuki wagon r okrem motorovej casti podobna elektroinstalacia ako na opel agila pro otevření tohoto souboru použijte aplikaci adobe reader https.
1998 2003 wagon r parts manualpdf repair manuals 875 mb. The r in the name denotes recreation. Suzuki wagon r sr410 sr412 service manual and wiring diagram download now suzuki wagon r rb310 rb413 rb413d service repair manual pdf download now suzuki wagon r rb413 workshop repair service manual pdf download now. Dome tail light rear defogger door lock. Service manuals schematics eproms for electrical technicians. Rb310 rb412 rb413 rb4130 repair manuals 716 mb.
To open downloaded files you need acrobat reader or similar pdf reader program. Wagon r ii k. Download suzuki wagon r workshop service repair manual year 1999 2008. Maruti suzuki wagon r fuse box diagram. 2000 2003 wagon r service manualpdf suzuki wagon r service manual supplementary service manual wiring diagram. 1999 suzuki wagon r service supplement wiring manualpdf this manual contains procedures for diagnosis maintenance adjustments minor service operations replacement of components service and for disassembly and assembly of major components unit repair overhaul.
English 1 062 wagon r ii. Complete instruction diagrams illustration diagram specification to repair and troubleshoot. In addition some files are archived.
















