P belajar sistem kelistrikan lampu kepala sepeda motor youtube halo apa kabar sobat otomotif kali ini vidio untuk membantu kita semua belajar tentang otomotif kali ini vidio tentang belajar sistem kelistrikan lampu kepala sepeda motor jangan lupa di like p p diagram wiring lampu sein somurich com diagram wiring diagram lampu sein motor honda full version. Cara kerja rangkaian lampu kepala pada saat saklar lampu dekat on maka arus listrik dari baterai akan mengalir menuju jalur 56a rangkaian lampu dekatkemudian menyebabkan lilitan relay menjadi medan magnet yang menyebabkan breaker point dalam platina membuka dan menutup dengan cepat.
Simmons Well Pump Wiring Diagram Wiring Diagram
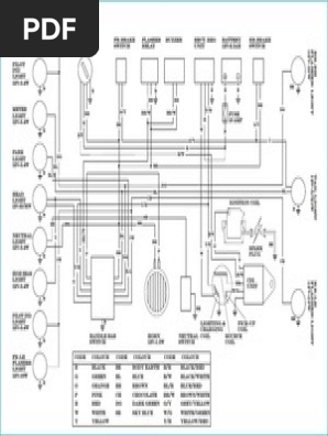
Wiring diagram lampu kepala. Gambar wiring diagram lampu kepala. Gambar diatas menunjukkan diagram kelistrikan atau wiring diagram kelistrikan lampu kepala mobil. Lampu kepala akan menyala bersamaan dengan lampu belakang melalui sebuah saklar baik itu saklar tarik maupun saklar putar. Wiring diagram ac split wiring diagram ac mobil wiring diagram online wiring diagram one light two switches wiring diagram lampu kepala wiring diagram panel wiring diagram acg starter. Diagram kelistrikan lampu kepala. Gambar ini adalah gambar modifikasi saya untuk memudahkan pemahaman anak didik dalam membaca wiring diagram lampu kepala dan kota rangkaian sistem lampu kepala dan lampu kota unknown 2016 10 26t191800 0700 50 stars based on 35 reviews pada materi sistem kelistrikan body standar salah satu yang harus kita rangkai adalah rangkaian lampu.
Akibanya pada kumparan relay antara terminal 85 dan 86 akan timbul gaya magnet. Lampu kepala sebuah mobil menggunakan jenis sealed beam yakni konstruksi filamen kaca dan bola lampu bergabung menjadi satu. Wiring diagram lampu kepala honda beat. Relay lampu jarak jauh. Lampu kepala adalah satu dari sekian banyak jenis lampu yang dipakai pada sebuah mobil. Relay lampu jarak dekat.
Dengan demikian arus listrik dari baterai akan mengalir langsung ke lampu kepala. Yuk langsung simak saja penjelasan cara membaca kode kelistrikan lampu kepala berikut ini. Rangkaian kabel ini berfungsi untuk menghubungkan tiap tiap komponen yang ada pada rangkaian lampu kepala. Lampu kepala pada mobil tidak dilewatkan kunci kontak dan biasanya menggunakan tipe pengendali positif yang artinya arus dari postif baterai langsung menuju ke saklar pengontrol lampu. Lampu kepala terdapat 2 tipe yang sering digunakan yaitu tipe sealed beam dan tipe semi sealed beam bola lampu. Saat sakelar penerangan diarahkan pada lampu kepala maka arus listrik dari baterai akan mengalir ke sakelar dim dan diteruskan ke relay.
Perhatikan rangkaian lampu kepala di bawah ini. Kemagnetan ini menyebabkan terhubungnya kontak pada relay antara terminal 30 dan 87. Wiring harness rangkaian kabel lampu kepala wiring harness rangkaian kabel lampu kepala ini adalah susunan kabel penghantar yang dirangkai sedemikian rupa dan menjadi satu sehingga bisa membentuk rangkaian lampu kepala.
















