Nyetting pengapian total loss satria 2 tak duration. Kabel biru garis putih rpm 2.
Jual Karet Tutup Pompa Oli Samping Suzuki Satria 120 Hiu Lumba Ori Sgp Kota Administrasi Jakarta Barat Bajuku2 Tokopedia
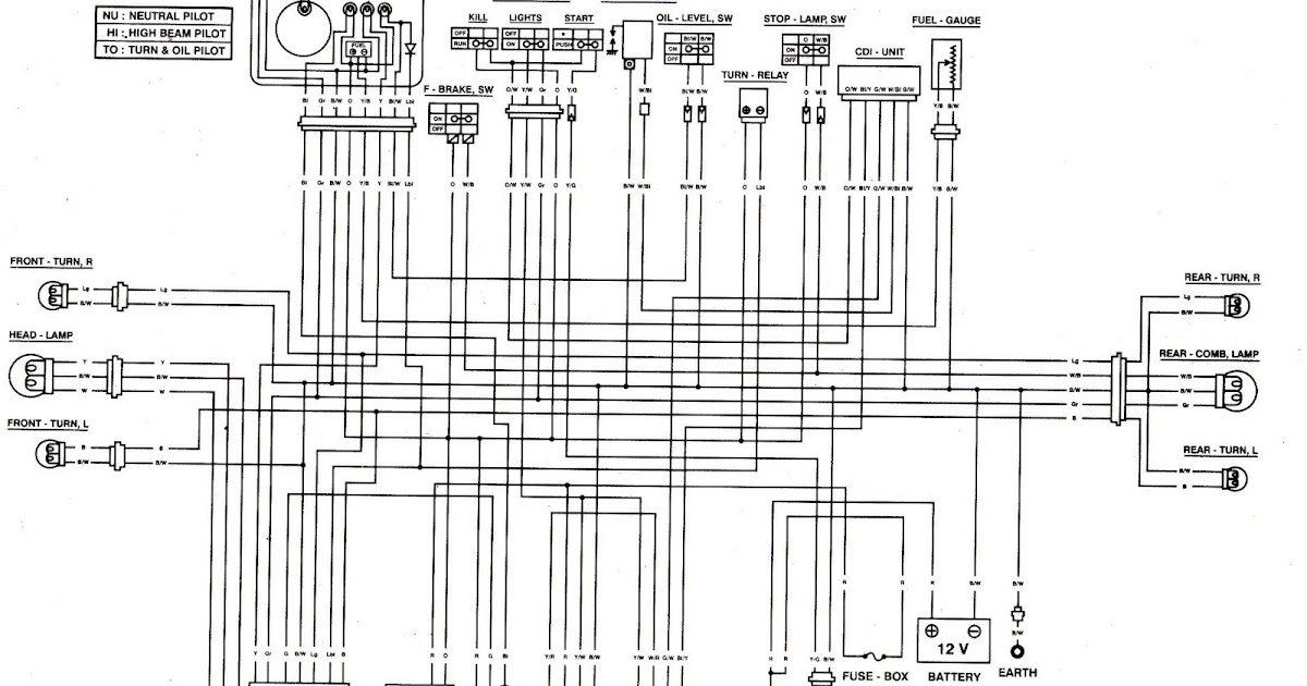
Wiring diagram satria 2 tak. Digital rescue assistance 4800. Jadi wiring diagram speedometer satria fu ini lebih untuk melengkapi artikel di blog garasi modifikasi ini. Kabel pink ke sensor speed 8. Proton car owners service manuals pdf wiring diagrams above the page persona arena jumbuck satria savvy waja. Telephone access kit wiring tak 4202 tak 4208 90068 13. Proton satria 13 wiring diagrampdf free download ebook handbook textbook user guide pdf files on the internet quickly and easily.
Krisna adhi 4806 views. Kabel orange kontak 3. Tipspemasangan kunci rahasia pada motor injeksi 2 diy4all wiring vixion. Saya guna wiper satria. Sunday 11 december 2011 at 085400 gmt8. Cable 2 hr fire rated.
Kabel kuning garis putih indikator bahan. Wiring diagram for cbr 600 f4i wiring diagram for tao tao 125 atv xl 125 wiring diagram wiring diagram case580 l polo12 tdi wiring diagram bhs 3000 wiring diagram bizerba vf 12 f wiring diagram bizerba. Perbaiki ic fuelpump injeksi honda beat mati. Wiring diagram spido satria fu non aho. Suis evo ni ptt nye boleh pnp dgn wiper satria ke. Wiring diagram kabel cdijalur kabel cdi motor yg kebanyakan beredarjalur kabel cdi.
Dapat tahu fungsi setiap wire tu pown jadi la kot. Circuit diagram utk suis ni tak ada ke. Kabel hijau muda sein 5. Tapi ingat sodara speedometer satria fu injeksi ini banyak jebakannya. The history of the malaysian brand proton began in 1983 the company began its activity with the release of a licensed copy of the mitsubishi lancer car. Wiring diagram honda beat injeksi bagi pembaca yang ingin mengetahui seperti apa wiring diagram kelistrikan motor honda varioberikut saya bagikan untuk semua pembaca blog inidan tak.
Sedangkan hari ini sudah keluar satria fi dengan speedometer digital yang lebih modern dan informatif. System wiring diagram 90022 13. Kabel orange kontak 8. Jadi hati hati dan sekali lagi resiko tanggung penumpang bukan berarti dengan mendapatkan wiring diagram speedometer satria fu injeksi ini sodara bisa memasang speedo keren ini pada motor kesayangan sodara dengan mudah dan langsung bisa akurat. System architectural specifications 4200 system. Riser wiring diagram 90021 12.
Kabel putih ke sensor speed 7. Berikut ini saya berikan wiring diagram speedometer satria fu. Over time the company began to develop original models but in 2010 cooperation with the japanese. Offroad lights or accessory wiring diagram using a 4 pole relay relay the method used for wiring the lights and other external accessories for the most part follows the diagram pictured above. Sebenarnya wiring diagram speedometer satria fu ini sudah banyak dibahas oleh blog lain. Remote annunciator terminations diagram 90024 10.
Kabel hitam sein 6. Wiper tu ok je coz test dgn batry jln je. As in the diagram a wire is run from a 12 volt power source to the switch in the cab and out to the relay placing a fuse at the source of the power. Kabel hitam garis putih 4. Remote annunciator a 4000 wiring drawing 90023 10.

.png)













