Matt hutton 42939 views. Electrically isolate the boiler and system components.
Wiring Diagram Water Heating Hot Water Storage Tank Boiler
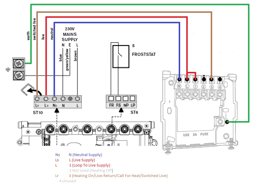
Worcester greenstar wiring diagram. We have 5 worcester greenstar 30si manuals available for free pdf download. Worcester wiring guide greenstar gas fired boilers page 7 greenstar ri regular 3 x 2 port valves s plan plus l l live n n neutral e e earth the generic liv e neutral and earth feeds to equipment must return to the respective connection on the wiring centre. Greenstar wiring centre and boiler have separate points of isolation fig. Bosch worcester greenstar wiring centre installation commissioning servicing instructions. Warndon worcester wr4 9sw bosch thermotechnology ltd ta worcester bosch group will introduce you to a worcester accredited installer who is authorised and regulated by the finance conduct authority who will broker the finance agreement. These connections are denoted as follows.
Greenstar si compact combi wiring diagram 01122016 onwards. The permissions of consumer credit compliance limited as a. 323 wiring diagrams with system examples not supplied by worcester bosch group those supplied by the manufacturer. Greenstar 24 28 i junior combi installation and servicing instructions. Manuals and user guides for worcester greenstar 30si. Preheat and dhw function.
Worcester bosch group technical support may be contacted on the telephone number on the back of these instructions. How to install wire nest thermostat 3rd generation worcester bosch greenstar 25i combi boiler duration. Attach a warning label to each point of isolation. Flame sense electrode pin 1 green. Boiler location in all cases the iee wiring regulations must be 750mm consulted. Bosch thermotechnology ltd ta worcester bosch group is an appointed representative of consumer credit compliance limited who are authorised and regulated by the financial conduct authority frn 631736.
Greenstar ri regular wiring diagram 01122016 onwards. Credit is provided by hitachi personal. Central heating electrical wiring part 2 s plan. This label has to advise that it is not the sole point of isolation and it has to identify the location of the other means of isolation. Installation servicing instructions for worcester greenstar danesmoor utility 1825 boiler location clearances 8 716 106 256c 032010 page 15. Information and service menus.
Credit is provided by hitachi personal finance. Installation servicing instructions for worcester bosch greenstar ri electrical wiring diagram 8 716 109 699a 0505 page 49. Temperature control and lockout reset. Warndon worcester wr4 9sw bosch thermotechnology ltd ta worcester bosch group will introduce you to a worcester accredited installer who is authorised and regulated by the finance conduct authority who will broker the finance agreement. S2 service mode selector switch 13.















