Pb3000 series pdf manual download. Zkteco time attendance software setup and configuration.
Multi Language In Text And Audio Time Attendance And Access
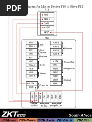
Zkteco wiring diagram. Pb3030l pb3010l pb3010r pb3030r pb3060l pb3060r. Page 16 pb3000 user manual 3 wiring diagram of the mains supply and motor 4. Home page support download center. View and download zkteco pb3000 series user manual online. F18 fingerprint standalone access control time attendance ciecoo. A las 810 am post a comment f18 connection diagram youtube.
Wiring video for visionis access control with vsaxess ip desktop. All data sheet software case study solution guideline biometrics technology user manual installation guide quick use guide sdk catalog. More authorized online stores product inquiry project consultation contact us. Buy zkteco products enjoy high quality service. Power wiring diagram without backup battery with backup battery switching power supply ground ground switching power supply figure 14 figure 13. Zkteco f18 wiring diagram.
Table of contents safety precautions product contents product pin diagram led indicators product dimension installation of panel with casing wire legend power wiring diagram weigand connection exit button connection lock connection door sensor connection aux. Zkteco f18 time attendance access control full installation part 2 how to install fingerprint attendance management system full. 12 inbio pro series access control panels installation guide rs485 fingerprint reader connection 12v dc 12v dc ethernet 1 82 3 rs485 fingerprint reader. Zkaccess f18 id fingerprint access control reader controller. Output connection ethernet connection rs485 connection dip switch settings. X7 connection diagram essl security.
F18 id zk teco usa.













