Ace 2701 ace 2751 ace 2803 ace 2853. Both are included in the kit.
Chrome 9000 Rpm Acewell
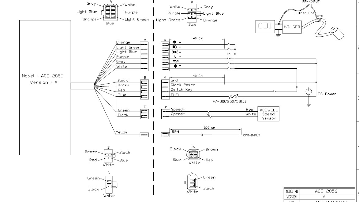
Acewell wiring diagram. The water temp sensor plug the tachometer lead and the powerfuel levelclock plug. Lcd has two rows of digital and one analog. We show all products here the computers for atv e bike scooter and motorcycle. They have separated the pigtail out into three parts. And please dont mind the wd 40 stains i provided. Computer unit has 4 6 built in leds for different purpose indicators.
952mm x 72mm x 285mm easy installation the acewell speed pickup uses a reed switch and magnet. Once the unit is mounted it is time to tackle the wiring. Would it be wiser cut just below the connectors for the stock speedo under the headlight assembly or go deeper and have an operation under the seat. Acewell accessories and sensors acewell speedometers. Acewell welcome to acewell official website. The tachometer comes with a wiring schematic included in the box.
Contact us faq specifications user manuals uses. Wiring diagram wiring diagram. Click here to download the ace 3100 wiring diagram dimensions. We named it computer instead of speed meter mile meter or odometer because a computer contains more than a meteracewell is a reliable manufacturer in taiwan. For bikes simply replace a bolt in your front disc rotor with the included magnetic bolt and align the reed switch with the magnet. I guess ill have to hack into the stock harness.
Each wire on the diagram is labeled with the corresponding color. But at which level should i cut it. By the way heres the wiring diagram acewell provided.
















