This manual is intended for use with ansul. A wiring diagram is a simplified traditional photographic depiction of an electric circuit.
Automobile Wiring Diagrams C3 Wiring Diagram
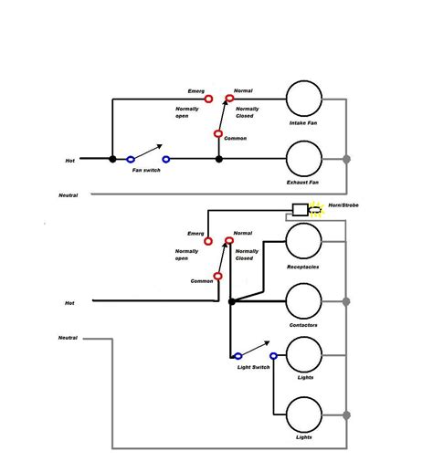
Ansul wiring diagram. Electrical industry network 90154 views. Ansul r 102 wiring diagram facbooik for ansul system wiring diagram image size 720 x 917 px and to view image details please click the image. In the ansul r system design installation recharge and maintenance manual. It consists of guidelines and diagrams for various types of wiring strategies as well as other items like lights home windows and so forth. Cat 16m318m3 checkfire 210 wiring diagram 2018 may 21 rev. Here is a picture gallery about ansul system wiring diagram complete with the description of the image please find the image you need.
Ansul kitchen hood suppression wiring diagram keywords. Label system wiring diagram remote release r ansul. Variety of ansul system wiring diagram. Revision 6 dated 6 august ansul part no. Ansul kitchen hood suppression wiring diagram created date. If not the structure will not work as it should be.
Ansul solutions for critical assets feature our autopulse z 20 addressable releasing panel inergen iflow clean agent suppression and sound engineering with our acoustic discharge nozzle. It is a pre engineered. Each part should be set and linked to other parts in specific manner. Protex ii 3 gallon cylinder assembly l protex ii gallon cylinder assembly ansul 6 litre k guard wet chemical fire extinguisher w. Electrical wiring fire control box duration. Ansul aom hd monitor assemblies provide exceptional durability for extended continuous or repetitive use in industrial system applications.
Design and application the ansul r 102 restaurant fire suppression system is developed and tested to provide fire protection for restaurant cooking appliances hoods and ducts. It shows the parts of the circuit as simplified forms and also the power and also signal connections in between the tools. Ansul system wiring diagram ansul fire suppression system wiring diagram ansul system micro switch wiring diagram ansul system wiring diagram every electrical structure consists of various different components. Wiring diagram 9 16 9 17. How to wire a ansul kitchen hood sistem duration. Wiring diagram includes many detailed illustrations that display the relationship of assorted products.
952014 123929 pm ansul kitchen hood suppression wiring diagrampdf download here.















