Asv rc85 12 a engine assembly serial number range. Diagram 03 a instrument panel.
Diagram Based Asv Rc 85 Wiring Diagram Completed Diagram
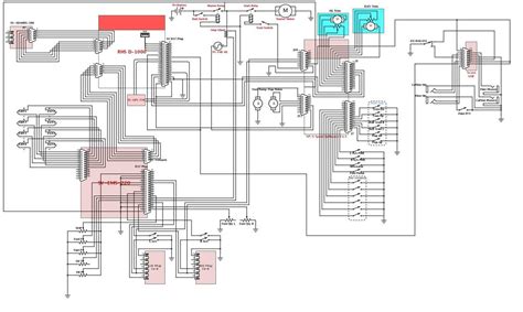
Asv rc85 wiring diagram. Rear wiring harness 1 47 8050 282 washer wrought sae zinc 20 48 8051 272 washer spring lock zinc 28 49 0310 139 film danger loader crusher 2 50 0201 664 decal important clean 2 8040 606 track loader parts 6543 chupp rd lithonia ga 30058 800616 8156 800616 8156 track loader parts asv rc85 04 b chassis assembly. The owner had made a brave attempt to repair the machine on the side of the road but this only activated the situation. This service manual has easy to read text sections with top quality diagrams and instructions. Diagram 02 a cab rops assembly enclosed serial number range. Asv rc85 oem parts diagram 12 a engine assembly 877 857 7209. Rc85 sn all english all language.
Original factory asv posi track rc 85 track loader master parts manual is a complete informational book. Part replaces price. Select your diagram below or use the drop down box. Asv rc85 oem parts diagrams. Asv rc85 oem parts diagrams. Track loader parts 6543 chupp road atlanta georgia 30058 usa 800616 8156.
Asv rc 85 posi track wiring issues this machine arrived at the shop with all the electric systems shut down. Diagram 01 a cab rops assembly open serial number range. Trust asv posi track rc 85 track loader master parts manual will give you everything you need to do the job.












