Stamford as480 automatic voltage regulator. Before adjusting the avr read the as440 avr specification sheet item 3.
As440 To Sx440 Conversion
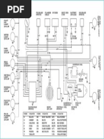
Avr as440 wiring diagram. Sx440 is a half wave phase controlled thyristor type automatic voltage regulator avr and forms part of the excitation system for a brush less generator. Stamford as540 automatic voltage regulator. The as440 incorporates surface mount technology smt to its design. The avr voltage sensing. The as440 is supplied as standard to the stamford s4 and stamford hc5 alternators and is an option for the stamford uc22 and uc27 alternators. New wiring for the as440 avr.
As is a half wave phase controlled thyristor. The avr also incorporates an interface to the optional excitation boost system ebs for use where short circuit current maintenance is required. Stamford as440 automatic voltage regulator. Stamford mx341 automatic voltage regulator. Step 5 final check adjustments. 1 pcs as avr.
As as as as as description. A043y697 issue 2 5 ref. 2006 1 tdas440 avr090603gb as440 automatic voltage regulator avr specification installation and adjustments. It shows the components of the circuit as simplified shapes and the talent and signal contacts in the company of the devices. Refer to generator wiring diagram for connection details f2 f1 7 8 8 z2 s1 s2 a1 a2 asx440 trim droop volts stability selection ufro frequency selection indicator led stab 60hz 50hz 1 2 3 l l. Download avr as440 wiring diagram.
The as440 is an analogue 2 phase sensing self excited automatic voltage regulator avr. 52 the avr has been factory set and might not be adjusted to suit your particular requirements. 1 pcs english user manual. The avr is linked with the main stator windings and the exciter field windings to provide closed loop control of the output voltage with load regulation of 10. 1 2 in addition to regulating the generator voltagethe avr circuitry includes under speed and sensing loss protection features. Excitation power is derived directly from the generator.
2006 newage international limited 1 tdas440 avr070601gb as440 automatic voltage regulator avr specification installation and adjustments. 53 before starting the generator set it is. 51 check all wiring connections. Avr types sx sx sx mx and mx. Refer to generator wiring diagram for connection details f2 f1 7 8 8 z2 s1 s2 a1 a2 as440 trim droop volts stability selection ufro frequency selection indicator led stab 60hz 50hz 1 2 3 lb la. Refer to alternator wiring diagram for connection details.
Stamford avr as440 wiring diagram wiring diagram is a simplified all right pictorial representation of an electrical circuit. Operation manual and this generator manual and become familiar with it and the. Avr as440 wiring diagram. Control function turn potentiometer clockwise to. As440 avr controls 6 a043y697 issue 2 32 initial avr setup notice the avr must be setup only by authorised trained service engineers.
















