Evinrude etec wiring diagram johnson outboard fuse location pdf. Evinrude e tec engine wiring code chart 007073.
Download Evinrude Repair Manual 1957 2014 Models
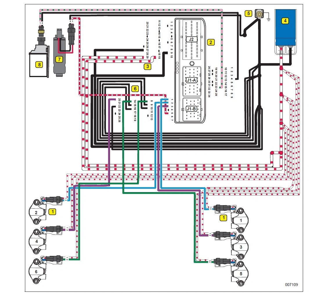
Evinrude etec wiring diagram. With such an illustrative manual you are going to be capable of troubleshoot avoid and total your projects without difficulty. Wiring color codes here is a listing of common color codes for evinrude and johnson outboard motors. E tec 225 e tec 250 e tec 300. 5212008 100638 am. It shows the parts of the circuit as streamlined shapes and the power and also signal links in between the gadgets. July 6 2019 by larry a.
View and download evinrude e tec 200 service manual online. Wiring diagram evinrude e tec oit tank wiring diagram pdf. Wellborn collection of evinrude wiring diagram outboards. A wiring diagram is a simplified standard photographic representation of an electrical circuit. Evinrude ignition switch wiring diagram you will want an extensive skilled and easy to comprehend wiring diagram. It contains directions and diagrams for various kinds of wiring strategies along with other products like lights windows etc.
Please verify your wiring before doing any work. Handlebar wiring diagram 2011 ski doo summit 800r etec snowest pdf. A wiring diagram is a streamlined conventional photographic representation of an electric circuit. Collection of evinrude ignition switch wiring diagram. Cat5 wiring pin diagram auto electrical wiring diagram pdf. E tec 200 outboard motor pdf manual download.
It shows the parts of the circuit as streamlined shapes as well as the power and signal links in between the tools. However variations can exist such as between remote control and tiller models. Outboard wiring diagrams these diagrams are accurate to the best of our knowledge. September 7 2018 by larry a. These codes apply to later model motors approximately early 80s to present. 1988 johnson 9 hp outboard parts diagram wiring wiring library evinrude wiring harness diagram wiring diagram consists of many comprehensive illustrations that display the link of varied things.
Evinrude ignition switch wiring diagram.













