1 the block of the relay and safety locks in a motor compartment. 3 fuse of the engine start circuit and ignition coils.
Troubleshooting Alternator And Charging System Problems
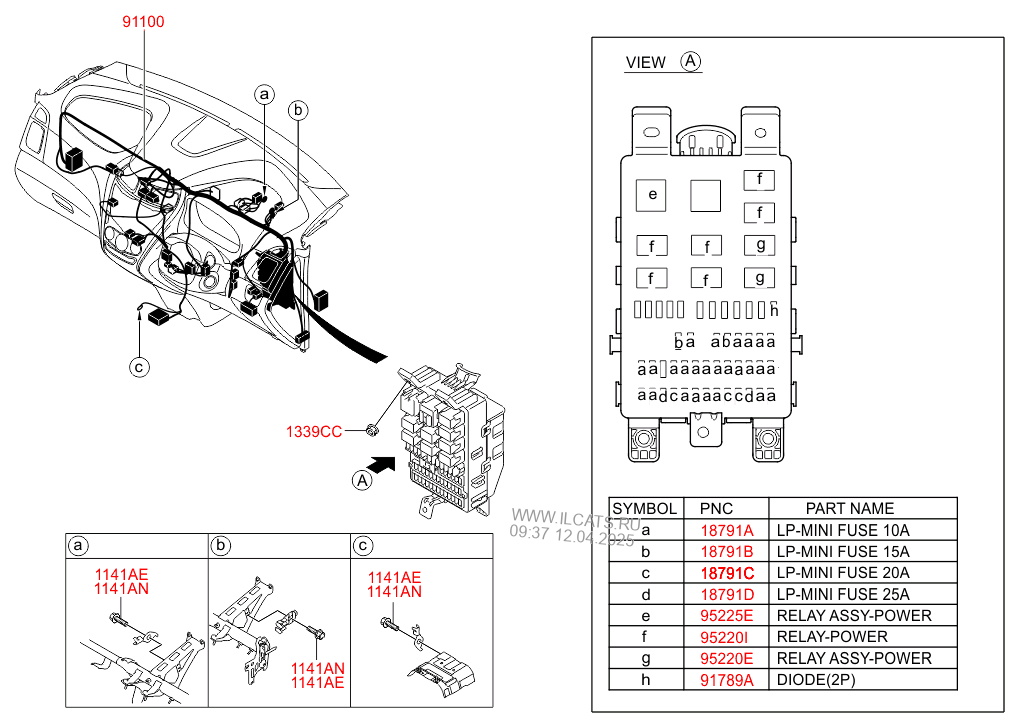
Hyundai i10 electrical wiring diagram. Hyundai i10 2010 fuse box diagram this is diagram about hyundai i10 2010 fuse box diagram you can learn online. For the hyundai i10 2007 2008 2009 2010 2011 2012 2013 model year. In 1967 the south korean automobile company hyundai was founded which in the first years of its existence was engaged in the production of three passenger cars and one freight model. 7 connection with the mass of the engine. 5 see pos. On indian hatchbacks put three cylinder turbodiesel 11 71 hp or 12 liter gasoline four capacity of 83 liters.
This video is an extract of the automate hyundai wiring diagrams 2007 to 2010 training module. а with an automatic transmission. 9 see pos. 8 connection with the body of the body. In india the hyundai grand i10 is being manufactured with a wheelbase extended by 10 cm as well as the xcent soplanform sedan. 6 the relay of a starter.
This wiring diagram training module covers hyundai vehicles built between 2007 2010 a time when. Hyundai car manuals pdf wiring diagrams above the page galloper i20 i30 sonata elentra azera accent entourage eon grandeur h100 ioniq tiburon santa fe santro tucson getz. Fuse box in passenger compartment. б with a mechanical gear box. This model is sold only in the local market in parallel with the machines of the previous generation. 2 the ignition switch.
4 rechargeable battery.















