You can add extra normally open switches to the door circuit if you wish. This circuit and wiring diagram.
573 2002 Honda Civic Immobilizer Wiring Diagram Wiring Library
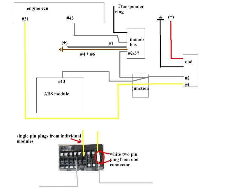
Immobilizer wiring diagram. But note that any additional switches will have to be able to carry the current required by your. Its usually sufficient to connect a single wire to just one of the door switches theyre generally all connected in parallel with the return through the chassis. Honda civic immobilizer system circuit diagram has been viewed 1925 times which last viewed at 2020 07 06 201858 and has been downloaded 6 times which last downloaded at 2016 04 30 010233 uploaded by camilla on 15 mar 2014. Satellite gps signals will penetrate through materials such as glass plastic rubber fiberglass carpeting and cardboard. 2006 toyota avalon wiring diagrams avalon push button start engine immobilizer steering lock electrical wiring diagram avalon ground point schematics. Optional immobilizer relay wiring 12v live starter motor 87a 86 85 30 tracker digital output 2 please ensure the side with the diagram sticker is facing up as this is where the directional gps receiver is located.
It shows the components of the circuit as simplified shapes and the capability and signal associates amid the devices. 95 out of 100 based on 368 user ratings the honda civic immobilizer system circuit diagram can be download for free. Autozone repair guide for your wiring diagrams immobilizer system 1999 immobilizer system wiring diagram. Immobilizer wiring diagram wiring diagram is a simplified standard pictorial representation of an electrical circuit.
















