Lawn mower ignition switch wiring diagram in lawn mower ignition switch wiring diagram image size 654 x 971 px and to view image details please click the image. Assortment of riding lawn mower ignition switch wiring diagram.
F6b2bb Bolens Lawn Tractor Ignition Switch Wiring Diagram
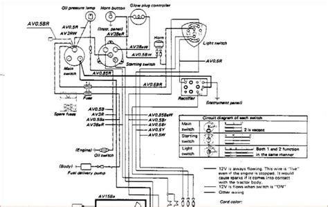
Mower ignition switch wiring diagram. These instructions will probably be easy to grasp and apply. November 1 2018 by larry a. It really is intended to help each of the common consumer in building a correct system. Wellborn assortment of riding lawn mower ignition switch wiring diagram. A wiring diagram is a streamlined conventional photographic depiction of an electrical circuit. Riding mower starting system wiring diagram part 1 duration.
A wiring diagram is a simplified standard pictorial depiction of an electric circuit. John deere x320 wiring diagram. Oct 7 2016 lawn mower ignition switch wiring diagram moreover lawn mower ignition switch wiring diagram additionally craftsman lawn mower wiring diagram also john deere mower drive belt diagram also john deere wiring diagrams. Here is a picture gallery about lawn mower ignition switch wiring diagram complete with the description of the image please find the image you need. How a lawn tractor ignition switch works test diagnose fix buckwsr. I made sure that every wire was clean making a good connection at the connector.
Mower ignition switch wiring tips. It reveals the parts of the circuit as simplified forms and also the power and also signal links between the gadgets. Murray lawn mower ignition switch wiring diagram encouraged in order to the blog on this time well demonstrate in relation to murray lawn mower ignition switch wiring diagramand today this is actually the very first picture. Wiring diagram for murray ignition switch lawn small engine hd dump. It reveals the parts of the circuit as streamlined forms and the power and also signal connections in between the tools. A wiring diagram usually offers details about the loved one placement and also arrangement of devices and also terminals on the devices to assist in structure or servicing the device.
What are the color code for ignition switch block for a craftsman riding mower. John deere wiring diagrams perfect wiring diagram for john deere. On john deere scotts mower wiring diagram. Wiring diagram comes with numerous easy to stick to wiring diagram directions. Lawn mower ignition switch wiring diagram inspirational wiring lawn mower ignition switch wiring diagram. Collection of wiring diagram for john deere riding lawn.
On john deere scotts mower wiring diagram. Riding mower starting system wiring diagram part 1. The mower will crank and run but the battery is not charging and the kill switch wire and 2 others are cut.














