Here is a picture gallery about peugeot 307 wiring diagram complete with the description of the image please find the image you need. Diagram 2 starting and charging built in system interface supply radio with cd player dual tone horn heated rear window cigarette lighter and 12v socket.
Clark Cf 25 Wiring Diagram Siosio 2 Rmnddesign Nl
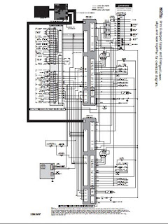
Peugeot 307 wiring diagram pdf. Key to circuits diagram 1 information for wiring diagrams. Diagram 2 starting and charging built in system interface supply radio with cd player dual tone horn heated rear window cigarette lighter and 12v socket. Download free 2001 2003 peugeot 307 wiring diagram pdf this 2001 2003 peugeot 307 wiring diagram covered. Peugeot 307 2001 to 2003 wiring diagrams key to circuits diagram 1 information for wiring diagrams. Peugeot car manuals pdf wiring diagrams above the page 106 107 108 205 206 2008 208 306 3008 308 405 406 508 607 807 bipper boxer expert ion. Peugeot 307 wiring diagram october 2019 1893.
View and download peugeot 307 owners manual online. 307 automobile pdf manual download. Peugeot 306 wiring diagrams november 2019 543. Peugeot 307 2001 2008 workshop manualpdf manual in english on the maintenance and repair of peugeot 307 2001 2008 cars with petrol and diesel engines. Information for wiring diagrams. Peugeot expert hdi wiring diagram peugeot 307 wiring diagram inside peugeot 307 wiring diagram image size 1019 x 558 px and to view image details please click the image.
Peugeot 307 complete wiring diagrams october 2019 839. Supplies and. Peugeot 307 complete wiring diagrams free download as pdf file pdf text file txt or read online for free. Download view peugeot 307 complete wiring diagrams as pdf for free. Supplies and components with references function symbols and internal electro mechanical details except for electronics connector sockets on components earth points wire lines with reference wiring diagram. Diagram 3 airbag abs and sunroof.
Peugeot 307 2001 to 2003 wiring diagrampdf. Starting and charging built in system interface supply radio with cd player dual tone horn heated rear window cigarette lighter and 12v socket. 2 constitution of the diagrams. Diagram 3 airbag abs and sunroof. Peugeot all models wiring diagrams general october 2019 318. Peugeot 307 2001 to 2003 wiring diagrams.
Peugeot 307 break dag owners manual 2002pdf.

















